Качественные детали и логистика
Оригинальные и аналоговые запчасти с доставкой по России, Казахстану и Беларуси
©2022 PartSell ООО "Система" ИНН 2463123282 ОГРН 1212400004838
Центральный офис: г. Красноярск, Академика Киренского, д.87, пом.4
Телефон: 8 (800) 777-65-74 Email: zakaz@partsell.ru
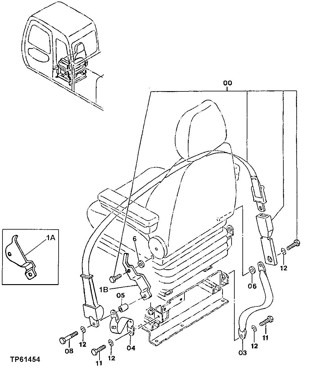
96 - Replacement Seat Belt
№
Артикул
Название
Примечание
Количество
0
4384239
Seat Belt
(SUB FOR AT215572)
1шт.
1A
Support
(SUB AP36524) ( AP33293 NLA )
1B
AP36524
3
4382410
Strap
(SUB FOR AT215563)
4
4372917
(SUB FOR AT215537)
5
4382432
Sleeve
(SUB FOR AT215564)
6
4382554
Washer
(SUB FOR AT215565)
2шт.
8
4380534
Cap Screw
(SUB FOR AT215561)
11
19H3187
7/16" X 1-1/2"
12
12H301
Lock Washer
1/2"
4шт.
Выбрано товаров: 0