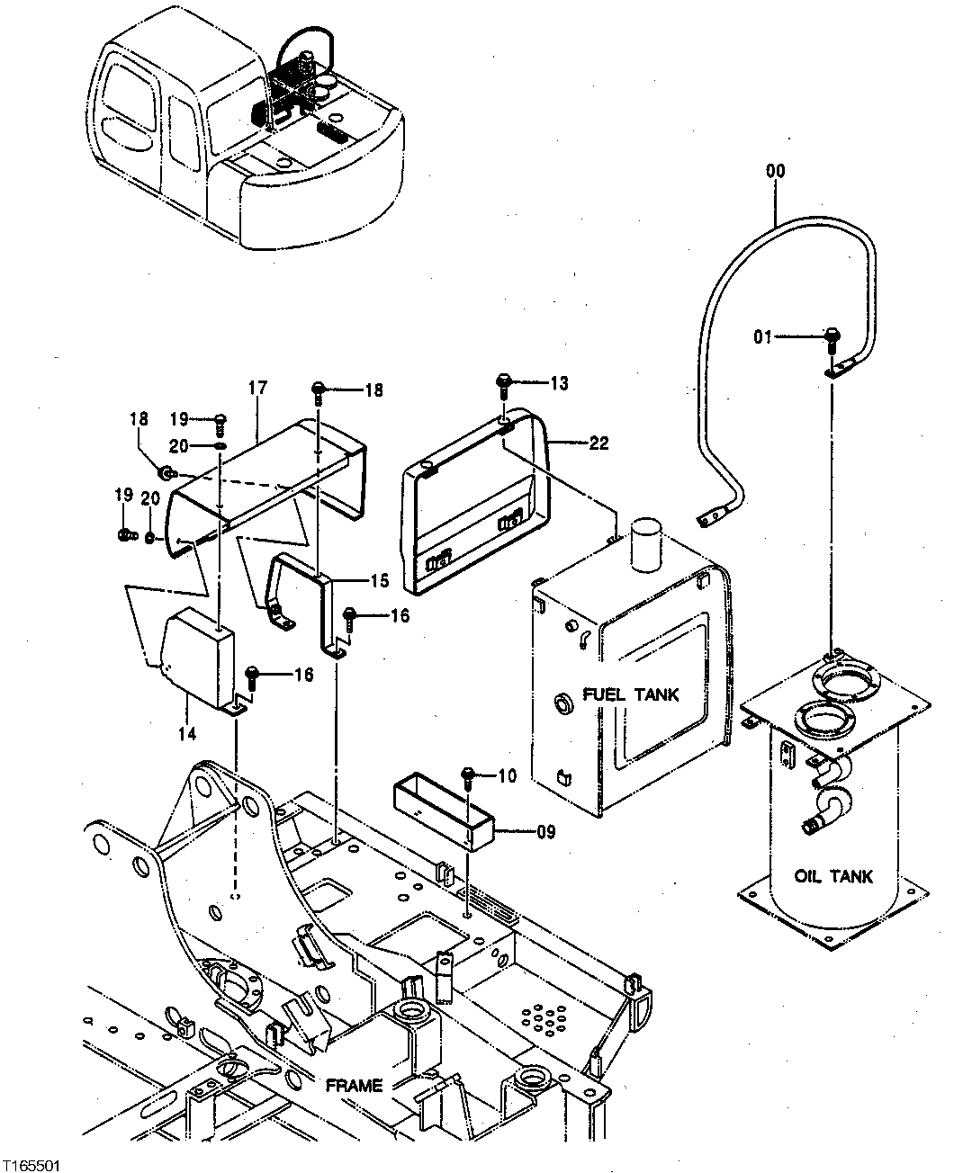
Запчасти John Deere 0 106 - RIGHT FRONT COVER AND HANDRAIL (SERIAL # -099999) 1910 Hood Or Engine Enclosure

Схема запчастей John Deere 0 - 106 - RIGHT FRONT COVER AND HANDRAIL (SERIAL # -099999) 1910 Hood Or Engine Enclosure
FIT
1:1
100%

Артикул

Название

Примечание

Количество

0

8067617

Bracket

(SUB FOR P65821)

1шт.

1

19M8011

Cap Screw

M12 X 30

4шт.

12M7058

Lock Washer

12 mm (SUB FOR 12M7067)

4шт.

9

7032526

Box

(SUB FOR P65819)

1шт.

10

19M7662

Cap Screw

M10 X 30

2шт.

12M7066

Lock Washer

10 mm

2шт.

24M7028

Washer

10.500 X 20 X 2 mm

2шт.

13

19M7662

Cap Screw

M10 X 30

4шт.

12M7066

Lock Washer

10 mm

4шт.

24M7028

Washer

10.500 X 20 X 2 mm

4шт.

14

8070406

Bracket

(SUB FOR AP36044)

1шт.

15

8070407

Bracket

(SUB FOR AP36045)

1шт.

16

19M7402

Cap Screw

M10 X 25

4шт.

17

P65820

Cover

1шт.

18

19M7402

Cap Screw

M10 X 25

2шт.

12M7066

Lock Washer

10 mm

2шт.

24M7028

Washer

10.500 X 20 X 2 mm

2шт.

19

19M7938

Cap Screw

M10 X 20

2шт.

20

12M7066

Lock Washer

10 mm

2шт.

22

7033971

Cover

(SUB FOR AT250738)

1шт.

Выбрано товаров: 0