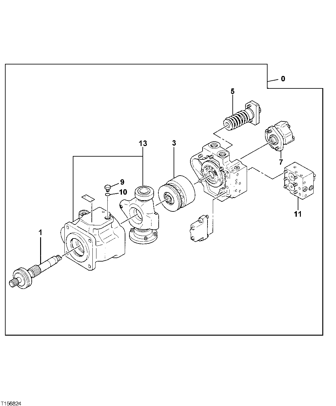
Запчасти John Deere 0 118 - Main Hydraulic Pump Components 2160 Vehicle Hydraulics

Схема запчастей John Deere 0 - 118 - Main Hydraulic Pump Components 2160 Vehicle Hydraulics
FIT
1:1
100%

Артикул

Название

Примечание

Количество

0

4373709

Hydraulic Pump

1шт.

AT185235

Hydraulic Pump Reman

(REMAN FOR 4373709), (MARKED AP35930), ( CONTAINS ALL ITEMS ON THIS PAGE - ADDITIO NAL COMPONENTS LISTED ON FOLLOWING PAGES)

1шт.

1

4397665

Shaft

(SUB FOR AT250716)

1шт.

3

4442048

Rotor

(SUB FOR AT250717 OR 4397667)

1шт.

5

4397669

Control

(SUB FOR AT250718)

1шт.

7

4397671

Hydraulic Pump

(SUB FOR AT250719)

1шт.

9

0385706

Fitting

(SUB FOR AT200163)

1шт.

10

M800650

Packing

1шт.

11

4397672

Flow Control Hyd. Valve

(SUB FOR AT250720)

1шт.

13

4484013

Hanger

(HANGER ASSEMBLY)

1шт.

Выбрано товаров: 10