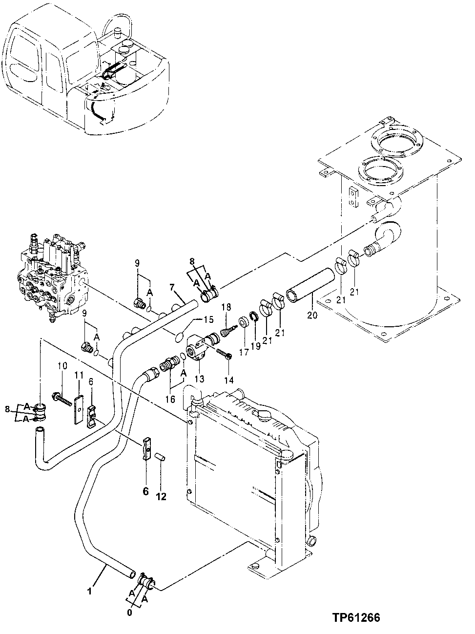
Запчасти John Deere 0 158 - Hydraulic System - Return Lines 3360 Hydraulic System

Схема запчастей John Deere 0 - 158 - Hydraulic System - Return Lines 3360 Hydraulic System
FIT
1:1
100%

Артикул

Название

Примечание

Количество

0

FXV00000005

Coupling

SUB FOR TH101923 AND 4071213

1шт.

0A

FXV00000005

Coupling

SUB FOR TH106965 AND 4196258

2шт.

1

7033472

Oil Tube

SUB FOR AP35921

1шт.

6

3072291

Isolator

SUB FOR AT214427

2шт.

7

7033739

Oil Tube

SUB FOR AP35922

1шт.

8

FXV00000005

Coupling

SUB FOR TH101923 AND 4071213

2шт.

8A

FXV00000005

Coupling

SUB FOR TH106965 AND 4196258

2шт.

9

4174542

Drain Plug

SUB FOR TH110478

2шт.

9A

AT318035

O-Ring

SUB FOR 4506424, TH100055

1шт.

10

19M7943

Cap Screw

M12 X 90

1шт.

11

P65685

Plate

1шт.

12

P65686

Spacer

1шт.

13

2023808

Manifold

SUB FOR TH110380

1шт.

14

19M8340

Screw

M10 X 65

4шт.

15

CH11436

O-Ring

1шт.

16

4042034

Adapter Fitting

SUB FOR TH110450

1шт.

16A

TH101926

O-Ring

28.700 X 3.500 mm (1.130" X 0.138")

1шт.

17

4197527

Ring

SUB FOR TH110549

1шт.

18

4197528

Flow Control Hyd. Valve

SUB FOR TH110550

1шт.

19

40M1860

Snap Ring

1шт.

20

4099118

Hose

SUB FOR TH110585

1шт.

21

TY22470

Clamp

SUB FOR AR65293

4шт.

Выбрано товаров: 22