Качественные детали и логистика
Оригинальные и аналоговые запчасти с доставкой по России, Казахстану и Беларуси
©2022 PartSell ООО "Система" ИНН 2463123282 ОГРН 1212400004838
Центральный офис: г. Красноярск, Академика Киренского, д.87, пом.4
Телефон: 8 (800) 777-65-74 Email: zakaz@partsell.ru
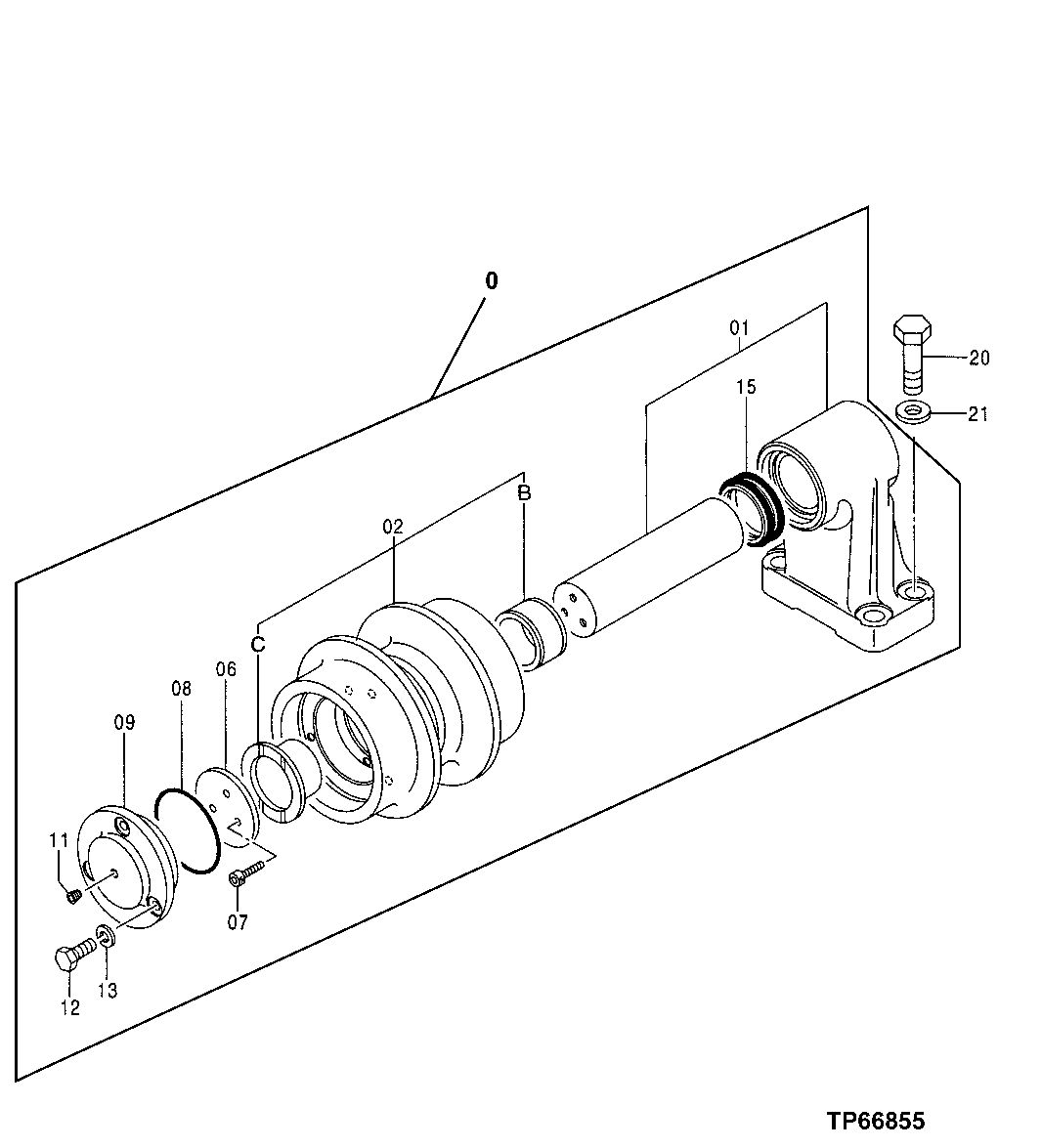
12 - UPPER ROLLER
№
Артикул
Название
Примечание
Количество
0
AT318030
Carrier Roller
(SUB FOR 9078675, TH9078675)
6шт.
1
9091505
Bracket
(SUB FOR TH9091505)
1шт.
2
9091506
(SUB FOR TH9091506)
2B
3040561
Bushing
(SUB FOR TH3040561)
2C
3040562
(SUB FOR TH3040562)
6
4215457
Thrust Washer
(SUB FOR TH4215457)
7
Bolt
3шт.
8
A810105
O-Ring
(SUB FOR U46158)
9
4658425
Cover
(SUB FOR 3040559)
11
942011
Fitting Plug
(SUB FOR 94-2011 AND TH100434)
12
19M7662
Cap Screw
M10 X 30
13
12M7066
Lock Washer
10 mm
15
4155698
Seal
(SUB FOR AT126213)
20
19M8410
Screw
M20 X 75
24шт.
21
N231749
Washer
20.620 X 38.100 X 6.350 m m (13/16" X 1-1/2" X 1/4")
Выбрано товаров: 0