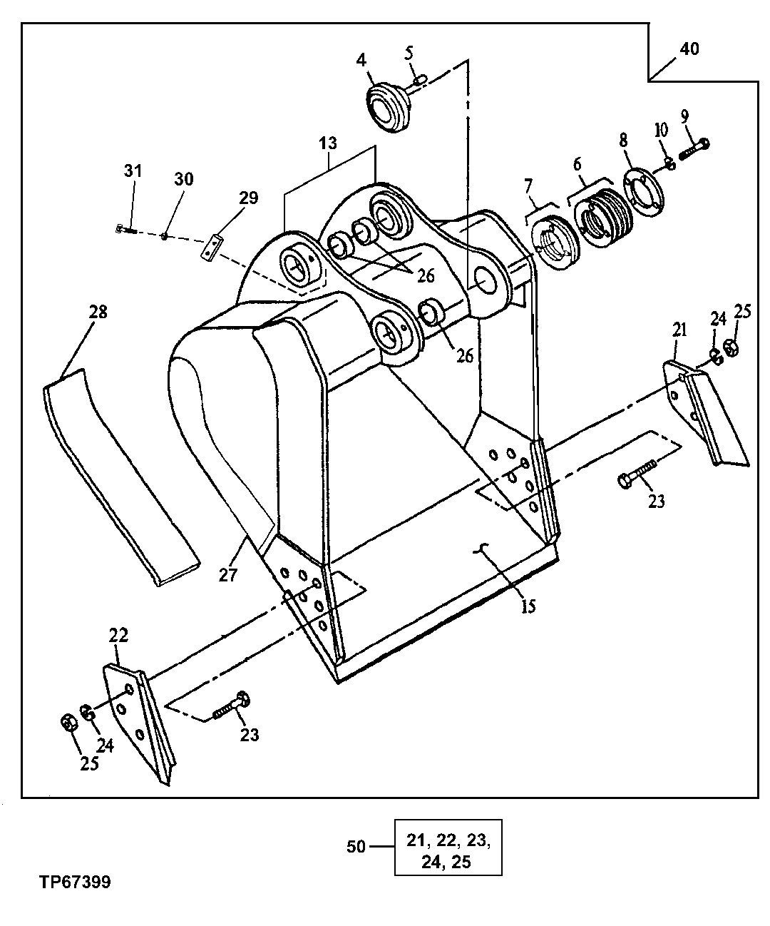
Запчасти John Deere 00C 224 - HEAVY DUTY BUCKET (USE WITH 1110" AND 145" ARM) (SEE FOOTNOTE) (CONTINUED) 3302 BUCKET WITH TEETH

Схема запчастей John Deere 00C - 224 - HEAVY DUTY BUCKET (USE WITH 1110" AND 145" ARM) (SEE FOOTNOTE) (CONTINUED) 3302 BUCKET WITH TEETH
FIT
1:1
100%

Артикул

Название

Примечание

Количество

27

C317507

Plate

(A) (36 in - 2.36 yd³ BUCKET) (42 i n - 2.90 yd³ BUCKET) (48 in - 2.47 yd ³ BUCKET) (54 in - 4.04 yd³ BUCKET) ( 60 in - 4.63 yd³ BUCKET) (72 in - 4.8 0 yd³ BUCKET) (80 in - 6.60 yd³ BUCKE T)

2шт.

C330195

Plate

(A) (36 in - 2.74 yd³ BUCKET) (42 i n - 3.34 yd³ BUCKET) (48 in - 3.95 yd ³ BUCKET) (54 in - 4.57 yd³ BUCKET) ( 60 in - 5.20 yd³ BUCKET) (72 in - 6.4 9 yd³ BUCKET) (80 in - 7.35 yd³ BUCKE T)

2шт.

28

C616459

Bar

(A) (36 in - 2.36 yd³ BUCKET)

1шт.

C624343

Bar

(A) (36 in - 2.74 yd³ BUCKET)

1шт.

C616460

Bar

(A) (42 in - 2.90 yd³ BUCKET)

1шт.

C624344

Bar

(A) (42 in - 3.34 yd³ BUCKET)

1шт.

C616461

Bar

(A) (48 in - 2.47 yd³ BUCKET)

1шт.

C624345

Bar

(A) (48 in - 3.95 yd³ BUCKET)

1шт.

C616462

Bar

(A) (54 in - 4.04 yd³ BUCKET)

1шт.

C624346

Bar

(A) (54 in - 4.57 yd³ BUCKET)

1шт.

C616463

Bar

(60 in - 4.63 yd³ BUCKET)

1шт.

C623347

Bar

(60 in - 5.20 yd³ BUCKET)

1шт.

C616465

Bar

(72 in - 4.80 yd³ BUCKET)

1шт.

C624349

Bar

(72 in - 6.49 yd³ BUCKET)

1шт.

C616466

Bar

(80 in - 6.60 yd³ BUCKET)

1шт.

C624350

Bar

(80 in - 7.35 yd³ BUCKET)

1шт.

Выбрано товаров: 16