Запчасти John Deere 00C 228 - HEAVY DUTY BUCKET (USE WITH 179" LONG ARM) (SEE FOOTNOTE) (CONTINUED) 3302 BUCKET WITH TEETH

Схема запчастей John Deere 00C - 228 - HEAVY DUTY BUCKET (USE WITH 179" LONG ARM) (SEE FOOTNOTE) (CONTINUED) 3302 BUCKET WITH TEETH
FIT
1:1
100%

Артикул

Название

Примечание

Количество

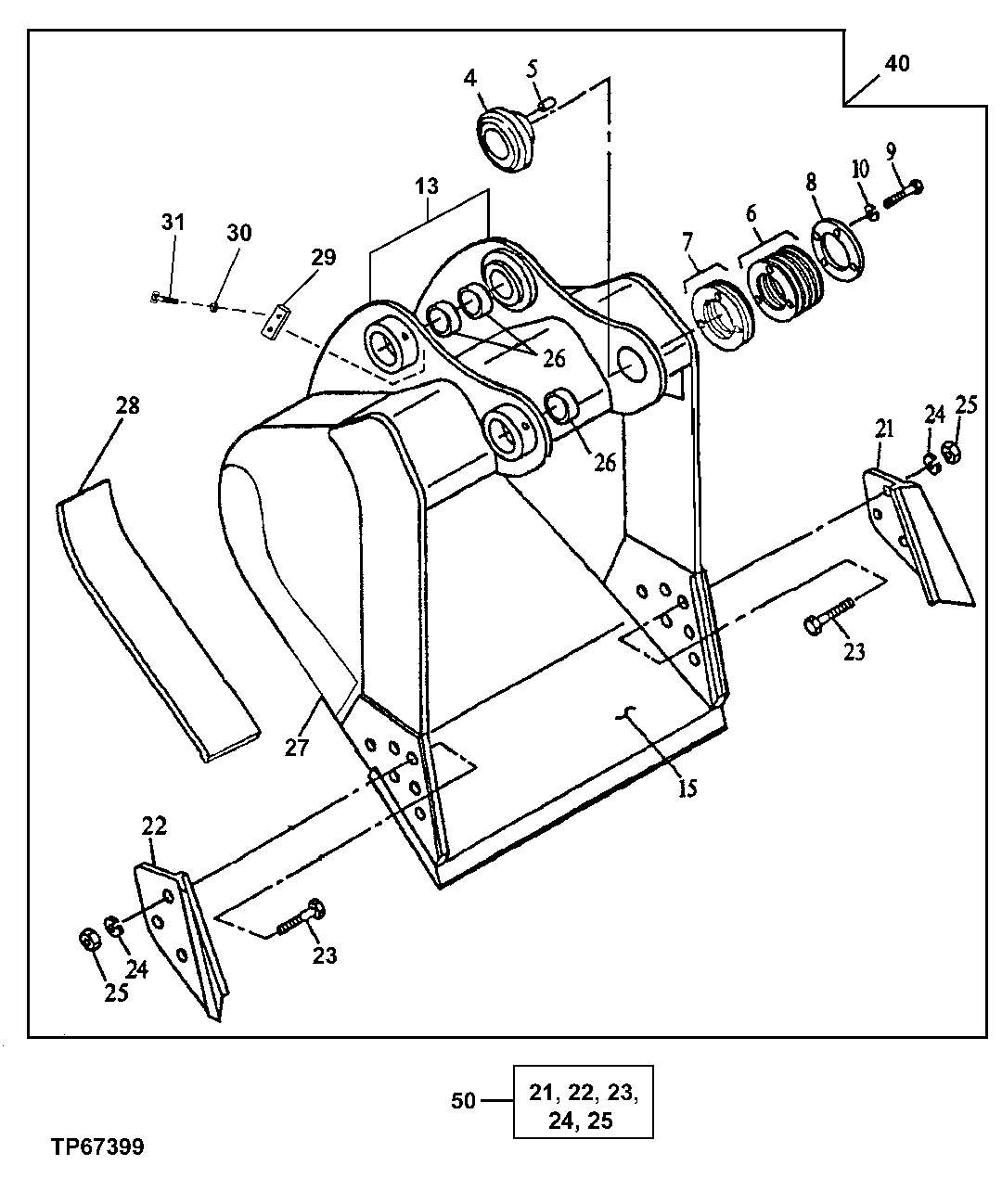
26

C31729

Bushing

(A) Link

2шт.

C31728

Bushing

(A) Arm

1шт.

27

C317345

Plate

(A)

2шт.

28

C616777

Bar

(A) (36 in - 1.97 yd³ BUCKET)

1шт.

C616778

Bar

(A) (42 in - 2.43 yd³ BUCKET)

1шт.

C616779

Bar

(A) (48 in - 2.90 yd³ BUCKET)

1шт.

C616780

Bar

(A) (54 in - 3.38 yd³ BUCKET)

1шт.

C616781

Bar

(A) (60 in - 3.86 yd³ BUCKET)

1шт.

C616783

Bar

(A) (72 in - 4.84 yd³ BUCKET)

1шт.

29

AT189915

Retainer

1шт.

30

12M7070

Lock Washer

20 mm

2шт.

31

19M7945

Cap Screw

M20 X 330

2шт.

40

Excavator Bucket

(B) (36 in - 1.97 yd³) ( AT189788 NLA)

1шт.

Excavator Bucket

(B) (42 in - 2.43 yd³) ( AT189789 NLA)

1шт.

Excavator Bucket

(B) (48 in - 2.90 yd³) ( AT189790 NLA)

1шт.

Excavator Bucket

(B) (54 in - 3.38 yd³) ( AT189791 NLA)

1шт.

Excavator Bucket

(B) (60 in - 3.86 yd³) ( AT189793 NLA)

1шт.

Excavator Bucket

(B) (72 in - 4.84 yd³) ( AT189793 NLA)

1шт.

Excavator Bucket

(B) (72 in - 5.80 yd³) ( AT196578 NLA)

1шт.

Excavator Bucket

(B) (80 in - 6.60 yd³) ( AT196579 NLA)

1шт.

50

Kit

Side Cutter ( AT189734 NLA)

1шт.

Выбрано товаров: 21