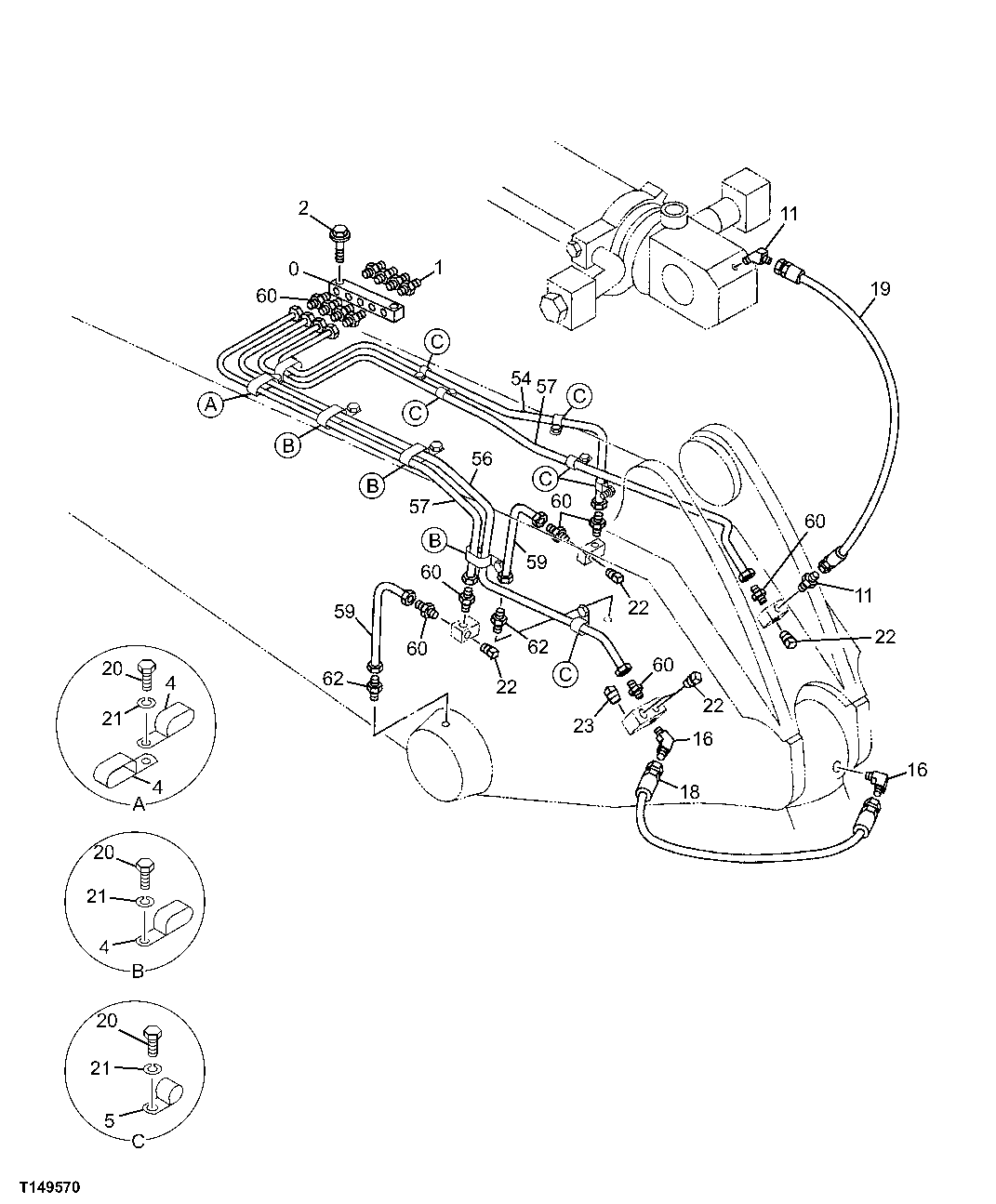
Запчасти John Deere 00C 323 - LUBRICATION LINES (SEMI-LONG ARM) 3363 LINES, HOSES AND FITTINGS

Схема запчастей John Deere 00C - 323 - LUBRICATION LINES (SEMI-LONG ARM) 3363 LINES, HOSES AND FITTINGS
FIT
1:1
100%

Артикул

Название

Примечание

Количество

0

4274903

Junction Block

(SUB FOR AT202119)

1шт.

1

JD7769

Lubrication Fitting

(SUB FOR TH100364)

4шт.

2

19M7358

Cap Screw

M10 X 40

2шт.

4

4192018

Clip

(SUB FOR TH110498)

5шт.

5

4190261

Clip

(SUB FOR TH109649)

6шт.

11

4154656

Elbow Fitting

(SUB FOR TH101588)

2шт.

16

4154655

Elbow Fitting

(SUB FOR TH101056)

2шт.

18

4290146

Hydraulic Hose

(SUB FOR TH4290146)

1шт.

19

4437282

Hydraulic Hose

(SUB FOR TH4203102, 4203102 OR 4203102-S)

1шт.

20

19M8324

Cap Screw

M10 X 16

10шт.

21

12M7066

Lock Washer

10 mm

10шт.

22

T115963

Fitting Plug

5шт.

23

M800462

Plug

1шт.

54

4453286

Hydraulic Hose

1шт.

56

4296625

Hydraulic Hose

1шт.

57

4267669

Hydraulic Hose

2шт.

59

4244590

Hydraulic Hose

2шт.

60

4154651

Adapter Fitting

(SUB FOR TH100963)

10шт.

62

4298745

Elbow Fitting

2шт.

Выбрано товаров: 19