Запчасти John Deere 90 12 - FUEL INJECTION PUMP AND LUBE LINES 413 - ENGINE 4

Схема запчастей John Deere 90 - 12 - FUEL INJECTION PUMP AND LUBE LINES 413 - ENGINE 4
FIT
1:1
100%

Артикул

Название

Примечание

Количество

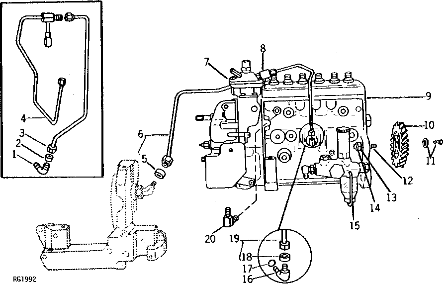
1

R67364

ELBOW FITTING

1шт.

2

R51936

SEALING WASHER

2шт.

3

AR76906

OIL LINE

(SUB AR87683)

1шт.

4

AR76905

LINE

(SUB AR87683)

1шт.

5

R67264

PACKING

(SUB FOR R63603)

4шт.

6

AR87561

OIL LINE

1шт.

7

ANEROID

(A)

NAшт.

8

AR87636

TEE FITTING

1шт.

R62106

SCREW

1шт.

R62107

WASHER

2шт.

9

AR79958

FUEL INJECTION PUMP

(A) (SUB RE13579)

1шт.

10

R66667

GEAR

(73 TEETH) (SUB FOR R56510) (SUB R111387 CAM GEAR, R111388, (3) R63845 AND (3) 19H3483, APPL)

1шт.

R111388

GEAR

(42 TEETH) (USE WITH R111387)

1шт.

11

AR95772

CAP SCREW

(SUB FOR AR58707) (USE WITH R66667)

3шт.

19H3483

CAP SCREW

3/8" X 1-1/8", (USE WITH R111388)

3шт.

R63845

WASHER

(USE WITH R111388)

3шт.

12

R114130

STUD

(SUB FOR R55396, APPL)

4шт.

13

M72490

WASHER

(SUB FOR R42729)

4шт.

14

14H1090

NUT

3/8", (SUB FOR R32511 OR E55662, APPL)

4шт.

15

FUEL PUMP

(SUB AR58812)

1шт.

16

R57641

ELBOW FITTING

1шт.

R67364

ELBOW FITTING

(SUB FOR T18012, APPL)

1шт.

17

R79060

O-RING

(SUB FOR R26287, APPL)

1шт.

18

R51936

SEALING WASHER

1шт.

19

AR87562

OIL LINE

1шт.

20

U45538

ELBOW FITTING

(USE WITH AR87670)

1шт.

Выбрано товаров: 26