Запчасти John Deere 90 13 - FUEL INJECTION PUMP AND OIL LUBE LINES 413 - ENGINE 4

Схема запчастей John Deere 90 - 13 - FUEL INJECTION PUMP AND OIL LUBE LINES 413 - ENGINE 4
FIT
1:1
100%

Артикул

Название

Примечание

Количество

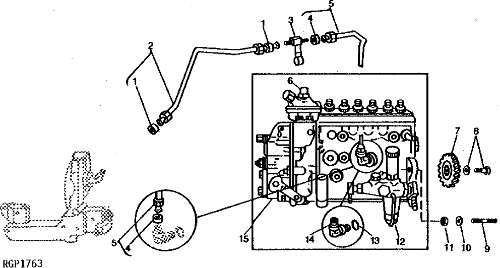
1

R51936

SEALING WASHER

2шт.

2

AR87562

OIL LINE

1шт.

3

AR87636

TEE FITTING

1шт.

R62106

SCREW

1шт.

R62107

WASHER

2шт.

4

R67264

PACKING

2шт.

5

AR87561

OIL LINE

1шт.

6

ANEROID

NAшт.

7

R66667

GEAR

(73 TEETH) (SUB R111387, R111388, (3) R63845 AND (3) 19H3483, THIS APPLICATION)

1шт.

R111388

GEAR

(42 TEETH) (USE WITH R111387)

1шт.

8

AR95772

CAP SCREW

(USE WITH R66667)

3шт.

19H3483

CAP SCREW

3/8" X 1-1/8", (USE WITH R111388)

3шт.

R63845

WASHER

(USE WITH R111388)

3шт.

9

R114130

STUD

(SUB FOR R55396, THIS APPLICATION)

4шт.

10

M72490

WASHER

(SUB FOR R42729)

4шт.

11

14H1090

NUT

3/8", (SUB FOR R32511 OR E55662, THIS APPLICATION)

4шт.

12

AR89955

FUEL PUMP

1шт.

13

R79060

O-RING

(SUB FOR R26287)

1шт.

14

AR88903

ELBOW FITTING

1шт.

15

RE13579

KIT

(A) (SUB FOR AR88930 OR AR79958) (PES6P110A720RS730)

1шт.

Выбрано товаров: 20