Запчасти John Deere 90 1 - STARTING MOTOR 422 - ENGINE 4

Схема запчастей John Deere 90 - 1 - STARTING MOTOR 422 - ENGINE 4
FIT
1:1
100%

Артикул

Название

Примечание

Количество

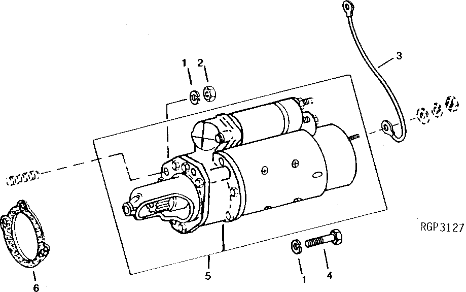
1

12H301

LOCK WASHER

1/2", (NO LONGER REQUIRED WITH 14H1069 OR 19H1721)

3шт.

2

14H1069

NUT

1/2"

2шт.

3

AR46820

WIRING LEAD

(NO LONGER REQUIRED)

1шт.

4

19H1721

CAP SCREW

1/2" X 1-1/2"

1шт.

5

RE515895

STARTER MOTOR KIT

(DELCO REMY NO. 1993936) (SUB FOR RE38634) (SUB RE69591) (SUB FOR AR55313, AR102770 OR AR102771)

1шт.

TY6746

STARTER MOTOR

(REMANUFACTURED DELCO-REMY)

1шт.

SE501454

STARTER MOTOR

(REMANUFACTURED FOR TY6746)

1шт.

6

R57480

GASKET

1шт.

Выбрано товаров: 8