Запчасти John Deere 90 4 - CONDENSER WITH MOTORS, DRYER AND SUPPORT 1830 - OPERATORS STATION 18

Схема запчастей John Deere 90 - 4 - CONDENSER WITH MOTORS, DRYER AND SUPPORT 1830 - OPERATORS STATION 18
FIT
1:1
100%

Артикул

Название

Примечание

Количество

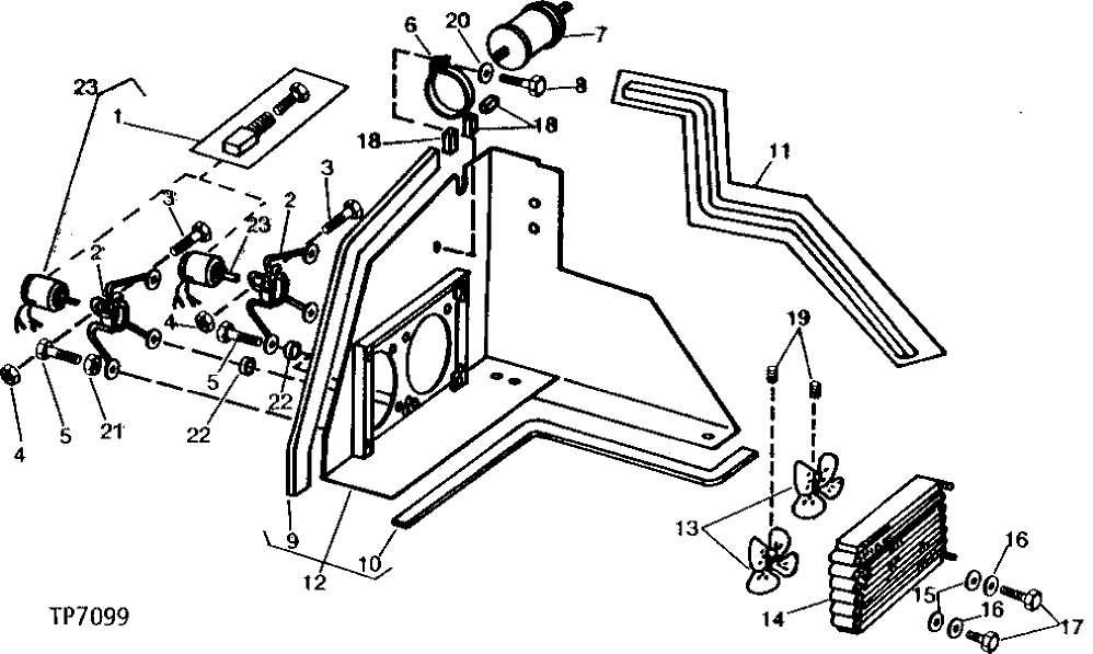
1

AT74308

KIT

2шт.

2

AT56090

SUPPORT

(SUB AT71700 AND T74190)

2шт.

AT71700

SUPPORT

(SUB FOR AT59208, THIS APPLICATION) (ALSO ORDER T74190, THIS APPLICATION)

2шт.

3

19H3239

CAP SCREW

3/8" X 1-1/4"

2шт.

4

14H812

NUT

3/8"

2шт.

5

19H2664

CAP SCREW

5/16" X 3/4"

8шт.

6

R53422

CLAMP

1шт.

7

AR59780

RECEIVER-DRYER

1шт.

8

19H3065

CAP SCREW

3/8" X 2"

1шт.

9

FOAM PAD

( T58379 USE IF AVAILABLE)

1шт.

10

ISOLATOR

( T58378 USE IF AVAILABLE)

1шт.

11

U46655

ISOLATOR

1шт.

12

AT56105

SUPPORT

1шт.

13

AT58600

FAN

10" CONDENSOR

2шт.

14

AT56087

CORE

1шт.

15

T67811

WASHER

(SUB FOR T47392)

4шт.

16

24H1287

WASHER

9/32" X 5/8" X 0.065"

4шт.

17

19H2337

CAP SCREW

1/4" X 4"

4шт.

18

R58666

ISOLATOR

3шт.

19

22H922

SET SCREW

0.190" X 1/4"

2шт.

20

24M7096

WASHER

0.413" X 0.709" X 0.063"

1шт.

21

24H1292

WASHER

11/32" X 3/4" X 0.120"

8шт.

22

T74190

ISOLATOR

1шт.

23

AT72475

ELECTRIC MOTOR

(SUB FOR AT56110, THIS APPLICATION) (ALSO ORDER AT58600, THIS APPLICATION)

2шт.

Выбрано товаров: 24