Запчасти John Deere 90 25 - PRESSURE COMPENSATOR ASSEMBLY FOR TRACK AND SWING VALVE 3360 - BACKHOE AND EXCAVATOR 33

Схема запчастей John Deere 90 - 25 - PRESSURE COMPENSATOR ASSEMBLY FOR TRACK AND SWING VALVE 3360 - BACKHOE AND EXCAVATOR 33
FIT
1:1
100%

Артикул

Название

Примечание

Количество

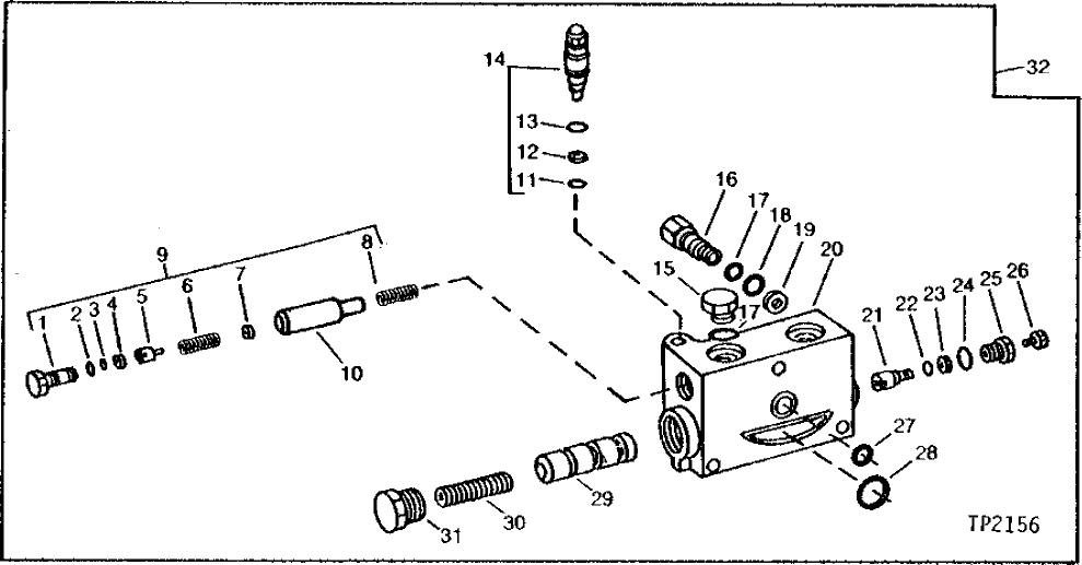
1

AT66979

KIT

CONTROLLER, (SUB FOR T60344)

1шт.

2

R26448

O-RING

1шт.

3

R10093

O-RING

1шт.

4

T35583

BACK-UP RING

1шт.

5

AT66979

KIT

CONTROLLER, (SUB FOR T60343)

1шт.

6

SPRING

( T60342 NO LONGER AVAILABLE)

1шт.

7

H871R

BALL

1шт.

8

T60339

SPRING

1шт.

9

AT66979

KIT

CONTROLLER

1шт.

10

SHAFT

(SUB AT56170)

1шт.

11

R10093

O-RING

1шт.

12

T35583

BACK-UP RING

1шт.

13

R26375

O-RING

1шт.

14

AT57849

RELIEF VALVE

1шт.

15

R39741

DRAIN PLUG

1шт.

16

T60338

FITTING

1шт.

17

U13639

O-RING

2шт.

18

U15149

O-RING

1шт.

19

T60337

WASHER

1шт.

20

HOUSING

(SUB AT56170)

1шт.

21

T60336

SCREW

1шт.

22

R28776

O-RING

1шт.

23

N132177

BACK-UP RING

1шт.

24

R29936

O-RING

2шт.

25

T60335

PLUG

1шт.

26

14H904

NUT

3/4"

1шт.

27

R30200

O-RING

1шт.

28

R41987

O-RING

1шт.

29

SPOOL

(SUB AT56170)

1шт.

30

T60341

SPRING

1шт.

31

T60340

DRAIN PLUG

1шт.

32

AT56170

HOUSING

INLET

1шт.

Выбрано товаров: 0