Запчасти John Deere 90 64 - PUMP TO RESERVOIR HYDRAULICS 3360 - BACKHOE AND EXCAVATOR 33

Схема запчастей John Deere 90 - 64 - PUMP TO RESERVOIR HYDRAULICS 3360 - BACKHOE AND EXCAVATOR 33
FIT
1:1
100%

Артикул

Название

Примечание

Количество

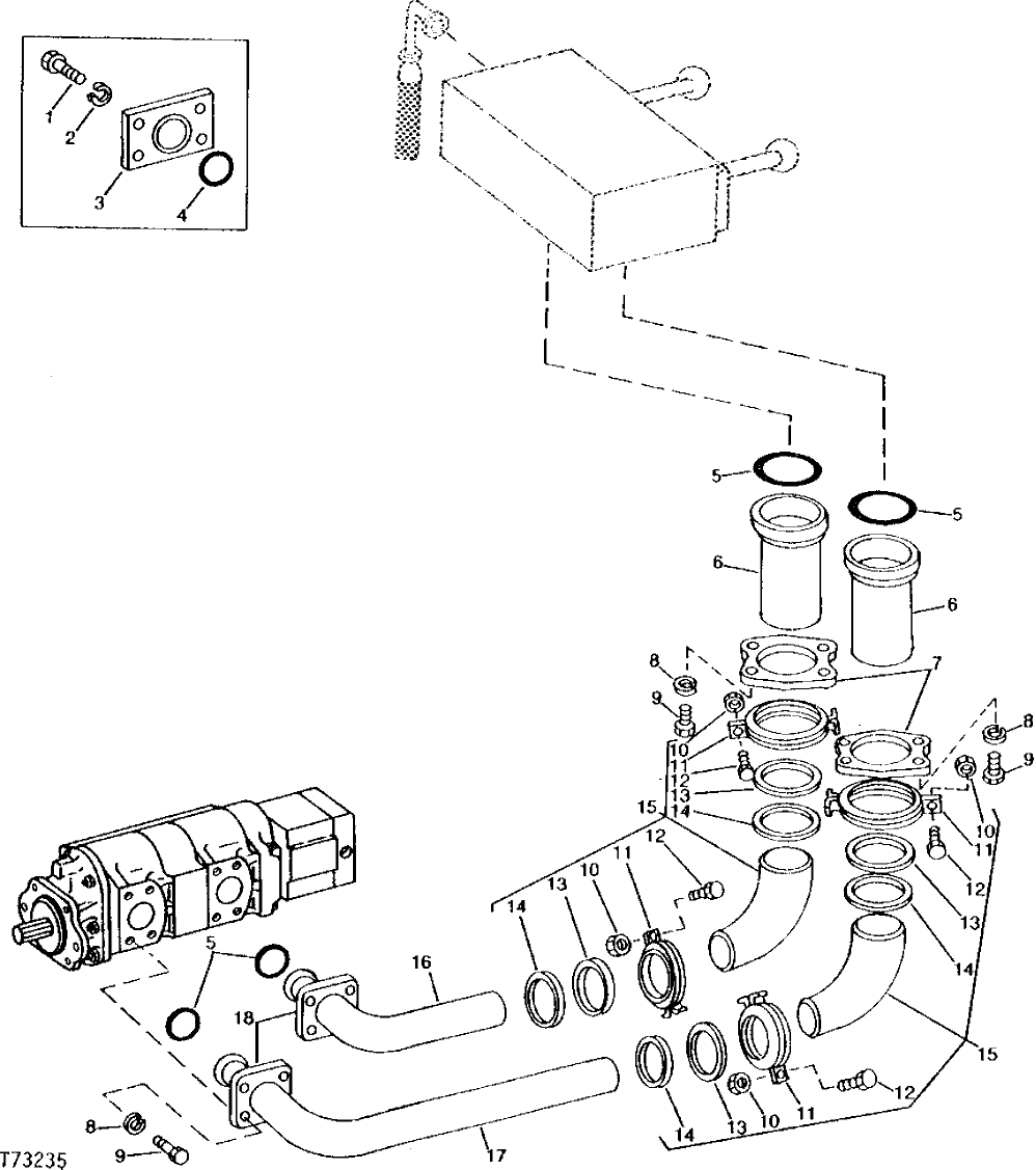
1

19H2633

CAP SCREW

3/8" X 1-1/2"

4шт.

2

12H304

LOCK WASHER

3/8"

4шт.

3

T62263

FITTING

1шт.

4

U12037

O-RING

1шт.

5

R86192

O-RING

(SUB FOR U12331)

2шт.

6

AT53201

TUBE

2шт.

7

X51H-40

FLANGE FITTING

(SUB FOR T59379 OR U44384)

8шт.

8

12H301

LOCK WASHER

1/2"

16шт.

9

19H2473

CAP SCREW

1/2" X 1-3/4", (PUMP FLANGE)

8шт.

19H2993

CAP SCREW

1/2" X 1-1/2", (RESERVOIR FLANGE)

8шт.

10

03H1937

BOLT

5/16" X 1-1/4"

4шт.

11

AT58252

CLAMP

4шт.

12

T16464

LOCK NUT

(SUB FOR BP12232)

4шт.

13

T60843

RETAINER

4шт.

14

T60842

GASKET

4шт.

15

AT53202

ELBOW FITTING

(SUB (2) T104407, (2) AT112344 AND (8) AT39141)

2шт.

16

AT59629

TUBE

(SUB (2) T104407, (2) AT112344, (8) AT39141 AND AT112160)

1шт.

17

AT59628

TUBE

(SUB (2) T104407, (2) AT112344, (8) AT39141 AND AT112159)

1шт.

18

T59379

FLANGE FITTING

2шт.

Выбрано товаров: 0