Запчасти John Deere 90 2 - TRACK DRIVE MOTOR 260 - AXLES AND SUSPENSION SYSTEMS 2

Схема запчастей John Deere 90 - 2 - TRACK DRIVE MOTOR 260 - AXLES AND SUSPENSION SYSTEMS 2
FIT
1:1
100%

Артикул

Название

Примечание

Количество

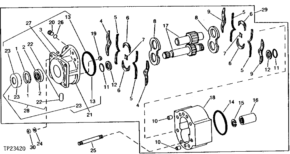
1

N51168

SNAP RING

FRONT SECTION

1шт.

2

T74339

SEAL

(SUB FOR U44858)

1шт.

3

400R

BALL

3шт.

4

T74341

PLATE

2шт.

5

T46532

ISOLATOR

4шт.

6

T61324

SEPARATOR

END

4шт.

7

T61325

SEPARATOR

CENTER

2шт.

8

T74344

PLATE

2шт.

9

T74342

PLATE

2шт.

10

U44854

DOWEL PIN

4шт.

11

T61327

O-RING

4шт.

12

T61326

BACK-UP RING

BACKUP, (SUB FOR T38849, THIS APPLICATION)

4шт.

13

T61267

O-RING

(USE WHEN O-RING GROOVE IS LESS THAN 1.52 MM (.06") DEEP)

1шт.

T60657

O-RING

(USE WHEN O-RING GROOVE IS MORE THAN 1.52 MM (.06") DEEP)

1шт.

14

T42742

O-RING

1шт.

15

T23694

SNAP RING

1шт.

16

T42740

SPLINED COUPLING

SPLINE

1шт.

17

KIT

(SUB AT77723) (SUB FOR AT75529)

1шт.

18

HOUSING

(SUB AT77723) (SUB FOR AT75529)

1шт.

19

T48992

PIN

2шт.

20

T78422

ORIFICE

(SUB FOR T74350)

2шт.

21

AT41670

SEAL KIT

1шт.

22

T74352

PRESSURE RELIEF VALVE

1шт.

23

T42737

SEAL

(SUB FOR U44858)

1шт.

24

U44865

WASHER

8шт.

25

T42746

STUD

8шт.

26

D2361R

BALL

2шт.

27

AT77816

FLANGE

(SUB FOR AT72021)

1шт.

28

AT72022

SEAL KIT

(ALSO INCLUDES T61267 AND T60657)

1шт.

29

SUPPORT

(SUB FOR AT69132) ( AT69132 NO LONGER AVAILABLE) (SUB AT77817 IF AVAILABLE)

1шт.

30

U44860

NUT

8шт.

Выбрано товаров: 0