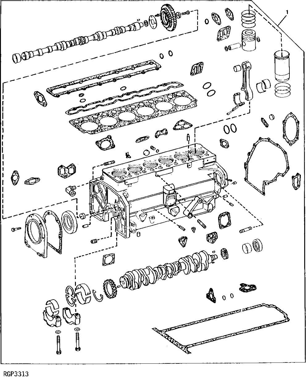
Запчасти John Deere 90A 6 - ENGINE SHORT BLOCK 404 - ENGINE 4

Схема запчастей John Deere 90A - 6 - ENGINE SHORT BLOCK 404 - ENGINE 4
FIT
1:1
100%

Артикул

Название

Примечание

Количество

1

AR92535

SHORT BLOCK ASSEMBLY

(MARKED R63199) (SUB RE43052, (6) R80575, R58724, R111388, (3) R63845 AND (3) 19H3483)

1шт.

AR101273

SHORT BLOCK ASSEMBLY

(MARKED R74123) (SUB RE43052, (6) R80575, R58724, R111388, (3) R63845 AND (3) 19H3483)

1шт.

RE13843

SHORT BLOCK ASSEMBLY

(MARKED R75934) (SUB RE43052, (6) R80575, R58724, R111388, (3) R63845 AND (3) 19H3483)

1шт.

RE28585

SHORT BLOCK ASSEMBLY

(MARKED R87552 OR R88217) (SUB RE43052, R58724, R111388, (3) R63845 AND (3) 19H3483)

1шт.

RE37418

SHORT BLOCK ASSEMBLY

(MARKED R98554) (SUB RE43052, R111388, R58724, (3) R63845 AND (3) 19H3483)

1шт.

Выбрано товаров: 5