Запчасти John Deere 90A 2 - WATER OUTLET MANIFOLD AND THERMOSTATS 418 - ENGINE 4

Схема запчастей John Deere 90A - 2 - WATER OUTLET MANIFOLD AND THERMOSTATS 418 - ENGINE 4
FIT
1:1
100%

Артикул

Название

Примечание

Количество

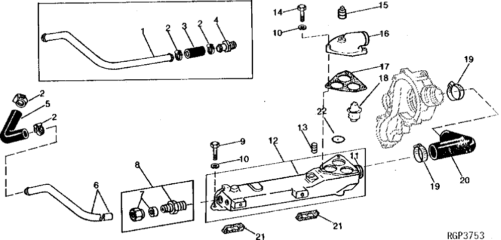
1

R49472

TUBE

1шт.

2

TY22467

CLAMP

(SUB FOR AR21839)

4шт.

TY22467

CLAMP

(SUB FOR AR21839)

2шт.

3

R44324

HOSE

25 MM X 67 MM (1" X 2-5/8")

1шт.

4

R49518

FITTING

1шт.

5

R49474

HOSE

85 MM X 55 MM (3.35" X 2.2") (NLA) (SUB TY22404)

1шт.

TY22404

HOSE

(BULK)

ARшт.

6

R70418

LINE

1шт.

7

RE11710

SEAL

(SUB AR92383)

1шт.

8

AR92383

FITTING

1шт.

9

19H3239

CAP SCREW

3/8" X 1-1/4"

4шт.

10

12H304

LOCK WASHER

3/8"

3шт.

12H304

LOCK WASHER

3/8", (NOT REQUIRED WITH 19H3239)

4шт.

11

R52248

TUBE

1шт.

12

AR69051

MANIFOLD

(MARKED R57513) (992D-LC ALSO ORDER R100715, APPL)

1шт.

AR69051

MANIFOLD

(MARKED R57513) (992D-LC)

1шт.

AR69051

MANIFOLD

(MARKED R57513) (ALL OTHER APPLICATIONS)

1шт.

13

15H584

PIPE PLUG

1/2", (JD862)

1шт.

RE57836

PIPE PLUG

1/2" (JD860B, JD862B, JD855, JD890, 890A, 992D-LC) (SUB FOR 15H624)

1шт.

14

19H1801

CAP SCREW

3/8" X 2"

3шт.

15

15H604

PIPE PLUG

1/4", (USE WITH R63030)

1шт.

16

R63030

COVER

1шт.

R63030

COVER

(992D-LC) (SUB R100715, APPL)

1шт.

R100715

COVER

(992D-LC)

1шт.

R63516

COVER

(NOT ILLUSTRATED) (JD855)

1шт.

17

R81274

GASKET

(SUB FOR R49488)

1шт.

18

AR48675

THERMOSTAT

82°C (180°F) (JD862B, JD862, JD860B, JD890, 890A, JD855)

3шт.

AR48675

THERMOSTAT

(992D-LC) (SUB R100715 AND (1) AR48675, APPL)

3шт.

AR48675

THERMOSTAT

82° C (180° F) (REAR ON 992D-LC) (USE WITH R100715)

1шт.

AR72852

THERMOSTAT

89° C (192° F) (890A)

1шт.

19

TY22470

CLAMP

(SUB FOR AR65293)

2шт.

20

HOSE

77.9 MM X 38.1 MM (3.07" X 1.5") (NO LONGER AVAILABLE) (SUB TY22410)

1шт.

TY22410

HOSE

(BULK)

ARшт.

21

R88397

GASKET

(SUB FOR R42693)

2шт.

22

R100671

PLUG

(FRONT ON 992D-LC) (SUB R100715)

2шт.

Выбрано товаров: 35