Запчасти John Deere 90A 2A - STARTING MOTOR 422 - ENGINE 4

Схема запчастей John Deere 90A - 2A - STARTING MOTOR 422 - ENGINE 4
FIT
1:1
100%

Артикул

Название

Примечание

Количество

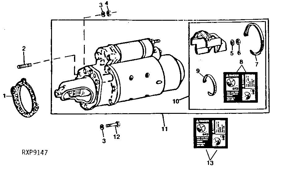
1

R57480

GASKET

1шт.

2

R114130

STUD

(SUB FOR R55396, APPL)

1шт.

3

12H304

LOCK WASHER

3/8", (NOT REQUIRED WITH E55662)

3шт.

4

E55662

FLANGE NUT

1шт.

5

AR102763

NUT

1шт.

6

14H631

NUT

0.190"

1шт.

7

H113196

TIE BAND

(SUB FOR R76477 OR R45440)

1шт.

8

T146102

LABEL

(ENGLISH) (SUB FOR T84409 OR T134459)

1шт.

9

R44302

TIE BAND

1шт.

10

RE41759

SHIELD

(DELCO-REMY) (CONTAINED IN RE515895 OR RE69591)

1шт.

11

RE515895

STARTER MOTOR KIT

(DELCO-REMY NO. 1993936) (SUB FOR RE43047) (MARKED RE38634) (CONTAINS RE41759) (SUB FOR RE38634) (SUB RE69591)

1шт.

TY6699

STARTER MOTOR

(REMANUFACTURED) (INCLUDES RE39063) (SUB FOR AR102771 OR RE515895)

1шт.

RE69591

STARTER MOTOR

(MARKED RE63094) (CONTAINS RE41759) (SUB RE515895)

1шт.

RE515895

STARTER MOTOR KIT

(MARKED RE506826)

1шт.

SE501443

STARTER MOTOR

(REMANUFACTURED FOR TY6699)

1шт.

12

19H3219

CAP SCREW

3/8" X 1-3/8"

2шт.

13

T146106

SAFETY SIGN

(SPANISH) (SUB FOR T84410 OR T134452)

1шт.

T146104

SAFETY SIGN

(FRENCH) (SUB FOR T84411 OR T134453)

1шт.

T146515

SAFETY SIGN

(GERMAN) (SUB FOR T84412 OR T134454)

1шт.

T146516

SAFETY SIGN

(ITALIAN) (SUB FOR T84413 OR T134455)

1шт.

T146517

SAFETY SIGN

(ENGLISH/FRENCH) (SUB FOR T84578 OR T134456)

1шт.

Выбрано товаров: 21