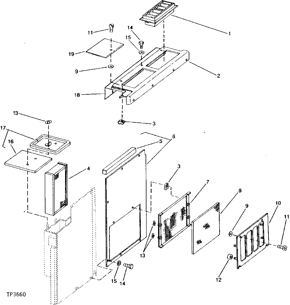
Запчасти John Deere 90A 18 - HEATER LEFT PANEL 1810 - OPERATORS STATION 18

Схема запчастей John Deere 90A - 18 - HEATER LEFT PANEL 1810 - OPERATORS STATION 18
FIT
1:1
100%

Артикул

Название

Примечание

Количество

1

AT65638

LOUVER

2шт.

2

T57888

COVER

1шт.

3

M63674

NUT

3шт.

4

AT55757

FILTER

1шт.

5

R30937

ISOLATOR

1шт.

6

AT55755

PANEL

1шт.

7

AT55759

FRAME

1шт.

8

T57893

FILTER

1шт.

9

M63673

RETAINER

3шт.

10

AT55758

DOOR

1шт.

11

M63672

KNURLED THUMB SCREW

3шт.

12

R41661

BUSHING

4шт.

13

14H952

WING NUT

1/4"

6шт.

14

19H1948

CAP SCREW

1/4" X 3/4"

13шт.

15

24H1821

WASHER

9/32" X 47/64" X 1/16"

13шт.

16

T57891

ISOLATOR

1шт.

17

AT55756

COVER

1шт.

18

T59955

ISOLATOR

1шт.

19

T57894

COVER

1шт.

Выбрано товаров: 19