Запчасти John Deere 90A 10 - CONDENSER FAN CONTINUOUS DUTY SOLENOID AND COMPRESSOR SOLENOID 1830 - OPERATORS STATION 18

Схема запчастей John Deere 90A - 10 - CONDENSER FAN CONTINUOUS DUTY SOLENOID AND COMPRESSOR SOLENOID 1830 - OPERATORS STATION 18
FIT
1:1
100%

Артикул

Название

Примечание

Количество

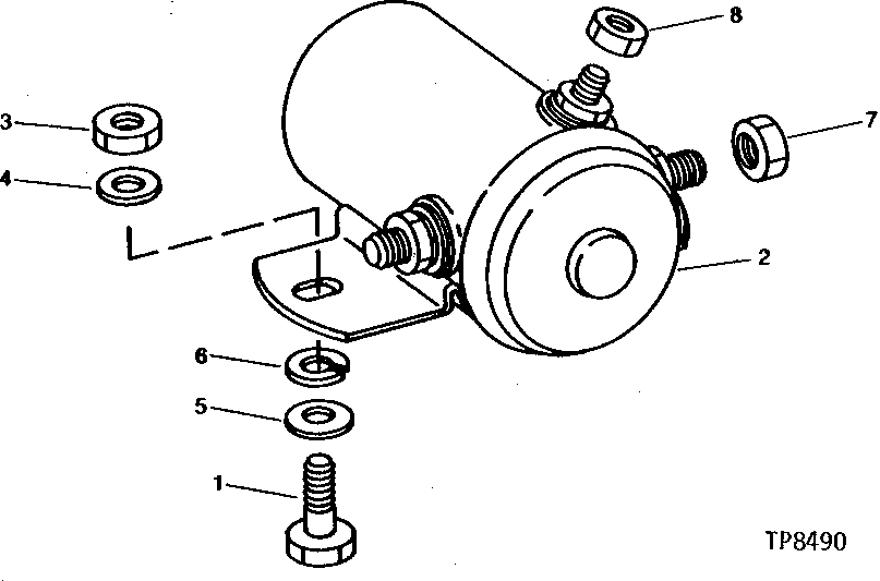
1

19H1914

CAP SCREW

1/4" X 1"

2шт.

2

AT69528

SOLENOID

(SUB FOR AT38151)

2шт.

3

14H786

NUT

1/4"

2шт.

4

12H297

LOCK WASHER

1/4"

2шт.

5

12H331

LOCK WASHER

3/8" X 11/16" X .040"

2шт.

6

12H302

LOCK WASHER

1/4"

2шт.

7

14H650

NUT

5/16"

2шт.

8

14H631

NUT

3/16"

1шт.

Выбрано товаров: 8