Запчасти John Deere 90A 4 - PILOT CONTROL FOOT PEDAL CONTROLLER 3360 - EXCAVATOR 33

Схема запчастей John Deere 90A - 4 - PILOT CONTROL FOOT PEDAL CONTROLLER 3360 - EXCAVATOR 33
FIT
1:1
100%

Артикул

Название

Примечание

Количество

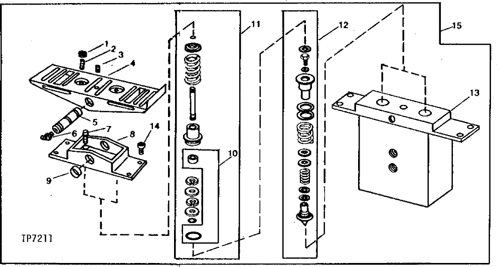
1

14M7203

NUT

M8

2шт.

2

SCREW

(SUB AT130072)

2шт.

P46051

O-RING

2шт.

3

T77078

SET SCREW

2шт.

4

T166542

PEDAL

(SUB FOR AT68913)

1шт.

5

T77079

PIN FASTENER

1шт.

6

58M5632

LUBRICATION FITTING

1шт.

7

T77077

SET SCREW

4шт.

8

SUPPORT

(SUB AT130072)

1шт.

9

BUSHING

(SUB AT130072)

2шт.

10

AT68909

SEAL KIT

1шт.

11

AT68912

SPRING ASSEMBLY

(SUB AT130072)

2шт.

12

AT69928

SPRING

2шт.

13

HOUSING

(SUB AT130072)

1шт.

14

R63063

SCREW

4шт.

15

VALVE

( AT69927 NO LONGER AVAILABLE) (SUB AT130072)

2шт.

Выбрано товаров: 16