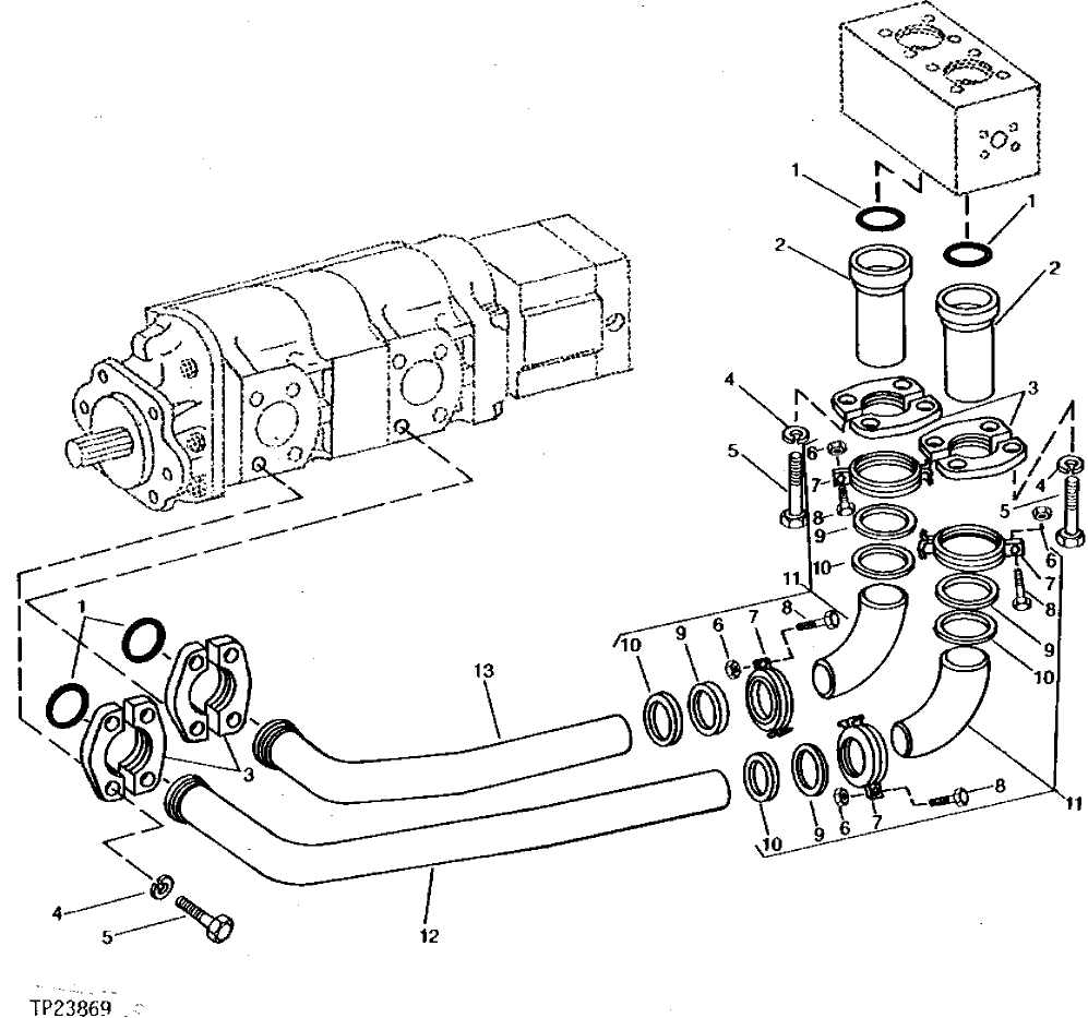
Запчасти John Deere 90A 50 - PUMP TO RESERVOIR HYDRAULICS 3360 - EXCAVATOR 33

Схема запчастей John Deere 90A - 50 - PUMP TO RESERVOIR HYDRAULICS 3360 - EXCAVATOR 33
FIT
1:1
100%

Артикул

Название

Примечание

Количество

1

R86192

O-RING

(SUB FOR U12331)

4шт.

2

AT53201

TUBE

2шт.

3

T59379

FLANGE FITTING

4шт.

4

12H301

LOCK WASHER

1/2"

16шт.

5

19H2473

CAP SCREW

1/2" X 1-3/4"

16шт.

6

T16464

LOCK NUT

(SUB FOR BP12232)

4шт.

7

AT58252

CLAMP

4шт.

8

03H1937

BOLT

5/16" X 1-1/4"

4шт.

9

T60843

RETAINER

4шт.

10

T60842

GASKET

4шт.

11

AT53202

ELBOW FITTING

2шт.

12

AT71377

TUBE

1шт.

13

AT71378

TUBE

1шт.

Выбрано товаров: 13