Запчасти John Deere 90A 14 - PROPEL MOTOR COUNTERBALANCE VALVE 260 - UNDERCARRIAGE 2

Схема запчастей John Deere 90A - 14 - PROPEL MOTOR COUNTERBALANCE VALVE 260 - UNDERCARRIAGE 2
FIT
1:1
100%

Артикул

Название

Примечание

Количество

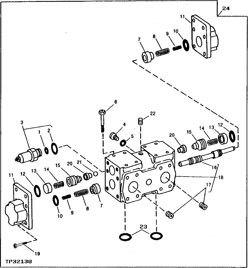
1

T74496

O-RING

1шт.

2

T74497

O-RING

1шт.

3

AT72227

PRESSURE RELIEF VALVE

2шт.

4

R27474

DRAIN PLUG

2шт.

5

R47151

O-RING

2шт.

6

19M8128

SCREW

M14 X 140

8шт.

7

T74493

SUPPORT

2шт.

T76542

SUPPORT

2шт.

8

T74485

SPRING

2шт.

T76543

SPRING

2шт.

9

T74490

SPRING

2шт.

T76541

SPRING

2шт.

10

T130858

O-RING

(SUB FOR T74492)

2шт.

11

T74491

COVER

2шт.

T76540

COVER

2шт.

12

A810030

O-RING

(SUB FOR U46167)

2шт.

13

T74487

HOLDER

2шт.

T76539

SUPPORT

2шт.

14

T74488

SPRING

2шт.

15

T74489

CHECK VALVE

2шт.

16

SPOOL

(SUB AT72228)

1шт.

SPOOL

(SUB AT74833 IF AVAILABLE)

1шт.

17

AT72228

FITTING

1шт.

T74498

ORIFICE

2шт.

18

FITTING

( AT74833 USE IF AVAILABLE)

1шт.

19

19M8169

SCREW

(SUB FOR 19M8127) M12 X 30

12шт.

20

T76546

RING

2шт.

21

H871R

BALL

(SUB FOR T76544)

1шт.

22

T76545

PLUG

1шт.

23

T130858

O-RING

2шт.

24

AT74831

VALVE

1шт.

Выбрано товаров: 31