Запчасти John Deere 92DLC 70 - Starting Motor (24V) (John Deere) ( - 54706) 0422 Starting Motor And Fastenings 6466AT014 6466AT014

Схема запчастей John Deere 92DLC - 70 - Starting Motor (24V) (John Deere) ( - 54706) 0422 Starting Motor And Fastenings 6466AT014 6466AT014
FIT
1:1
100%

Артикул

Название

Примечание

Количество

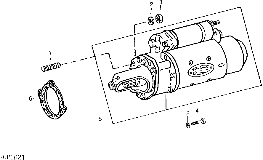
1

R114130

Stud

(SUB FOR R55396, APPL)

1шт.

2

12H304

Lock Washer

3/8" (NOT REQUIRED WITH E55662)

3шт.

3

E55662

Flange Nut

1шт.

4

19H3219

Cap Screw

3/8" X 1-3/8"

2шт.

5

Starter Motor

(DENSO NO. 028000-5250) (SUB TY25964 ) (SUB FOR TY6714, RE65174 OR AR84333)

1шт.

Starter Motor

(DENSO NO. 028000-5251) (SUB TY25964 ) (SUB FOR TY6714, RE65174 OR RE15663)

1шт.

TY25964

Starter Motor

REMANUFACTURED (DENSO NO. 970280 0-525) (SUB FOR TY6654 OR TY6714)

1шт.

Starter Motor

(DENSO NO. 128000-7170) (SUB FOR RE38369 ) (SUB TY25969)

1шт.

SE501418

Starter Motor Reman

(REMAN FOR TY25964)

1шт.

SE501423

Starter Motor Reman

(REMAN FOR TY25969)

1шт.

6

R53108

Gasket

1шт.

Выбрано товаров: 11