Запчасти John Deere 92DLC 89 - Cold Weather Starting Aid (XXXXXX - ) 0505 Cold Weather Starting Aids

Схема запчастей John Deere 92DLC - 89 - Cold Weather Starting Aid (XXXXXX - ) 0505 Cold Weather Starting Aids
FIT
1:1
100%

Артикул

Название

Примечание

Количество

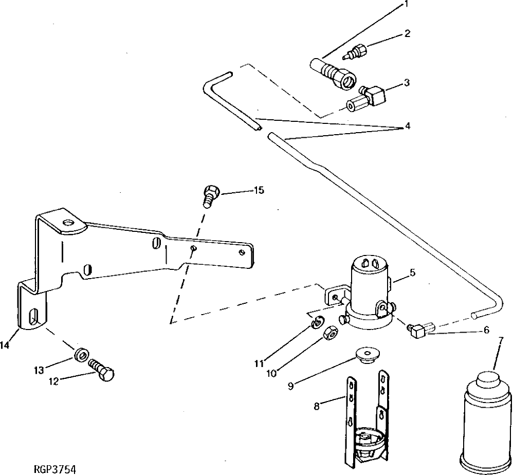
1

R47160

Nozzle Holder

1шт.

2

T155858

Nozzle

(SUB FOR R28583)

1шт.

3

RE21790

Elbow Fitting

(SUB FOR AT25266)

1шт.

4

Structural Tube

(SUB RE16151)

1шт.

5

RE48311

Starting Aid

(SUB FOR AT41998 OR AT105778 ) ( SUB RE48311 ) (SUB FOR AT125915)

1шт.

RE48311

Starting Aid

(SUB FOR AT125915)

1шт.

6

RE21790

Elbow Fitting

(SUB FOR AT25266)

1шт.

7

RE33636

Starting Fluid

(SUB FOR AR27814, RE24561 OR RE30174)

1шт.

8

AT57288

Bail

1шт.

9

T46726

Gasket

1шт.

10

14H785

Nut

5/16"

2шт.

11

12H303

Lock Washer

5/16"

2шт.

12

19H3651

Screw

5/8" X 1-1/4"

1шт.

13

24H1139

Washer

11/16" X 1-1/4" X 0.105"

1шт.

14

R85140

Support

1шт.

15

19H2127

Cap Screw

5/16" X 7/8" 3/8" X 1"

2шт.

Выбрано товаров: 16