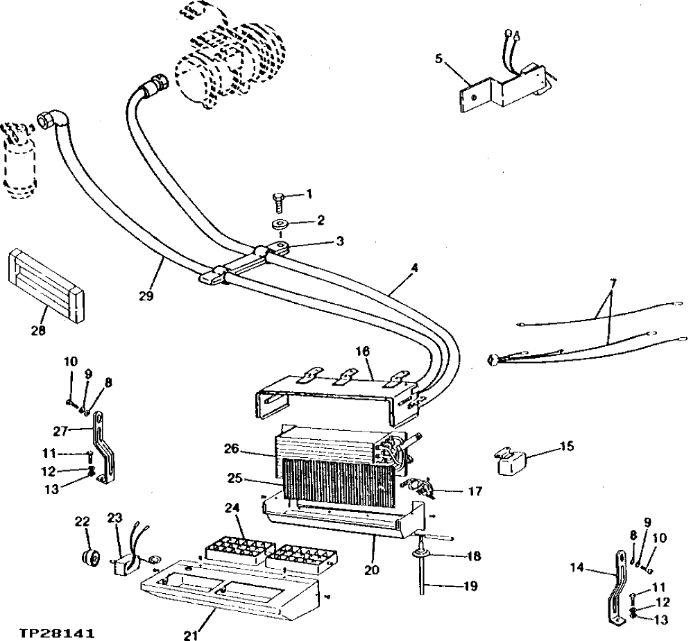
Запчасти John Deere 92DLC 145 - AIR CONDITIONER EVAPORATOR HOSES 1830 HEATING AND AIR CONDITIONING

Схема запчастей John Deere 92DLC - 145 - AIR CONDITIONER EVAPORATOR HOSES 1830 HEATING AND AIR CONDITIONING
FIT
1:1
100%

Артикул

Название

Примечание

Количество

1

19M7881

Screw

M8 X 20 (SUB FOR AT122620)

4шт.

2

12M7066

Lock Washer

10 mm (SUB FOR TH100278)

4шт.

3

R50454

Clamp

(SUB FOR TH109445 OR 4192034)

4шт.

4

4143121

Refrigerant Hose

(SUB FOR TH111910)

1шт.

5

4158681

Switch

(SUB FOR TH102866)HIGH PRESSURE

1шт.

7

0228215

Wiring Harness

(SUB FOR TH102862)

1шт.

8

24M7054

Washer

6.400 X 12 X 1.600 mm

2шт.

9

12M7066

Lock Washer

10 mm (SUB FOR TH100280)

2шт.

10

19M7923

Cap Screw

M6 X 12

2шт.

11

19M8007

Cap Screw

M10 X 25 (SUB FOR TH101 167, M111025 OR J241025)

2шт.

12

12M7006

Lock Washer

6 mm

2шт.

13

24M7028

Washer

10.500 X 20 X 2 mm (SUB FOR TH100529)

2шт.

14

0228213

Bracket

(SUB FOR TH102860)

1шт.

15

0228212

Relay

(SUB FOR TH100280 ) (SUB FOR TH102859)

1шт.

16

0228201

Housing

(SUB FOR TH100548 ) (SUB FOR TH102848)(EVAPORATOR)

1шт.

17

0228204

Flow Control Hyd. Valve

(SUB FOR TH102851)

1шт.

18

0228206

Isolator

(SUB FOR TH102853)

1шт.

19

0228205

Hose

(SUB FOR TH102852)

1шт.

20

0228202

Housing

(SUB FOR TH102849)

1шт.

21

0228208

Panel

(SUB FOR TH102855)

1шт.

22

0228211

Knob

(SUB FOR TH100548 ) (SUB FOR TH102858)

1шт.

23

0228210

Thermostat

(SUB FOR TH100278 ) (SUB FOR TH102857)

1шт.

24

0228209

Grille

(SUB FOR TH102856)

2шт.

25

0228207

Filter

(SUB FOR TH100278 ) (SUB FOR TH102854)

1шт.

26

0228203

Evaporator

(SUB FOR TH100548 ) (SUB FOR TH102850)

1шт.

27

0228214

Bracket

(SUB FOR TH102861)

1шт.

28

4110899

Cushion

(SUB FOR TH101352)

1шт.

29

4198280

Refrigerant Hose

(SUB FOR TH111026)

1шт.

Выбрано товаров: 0