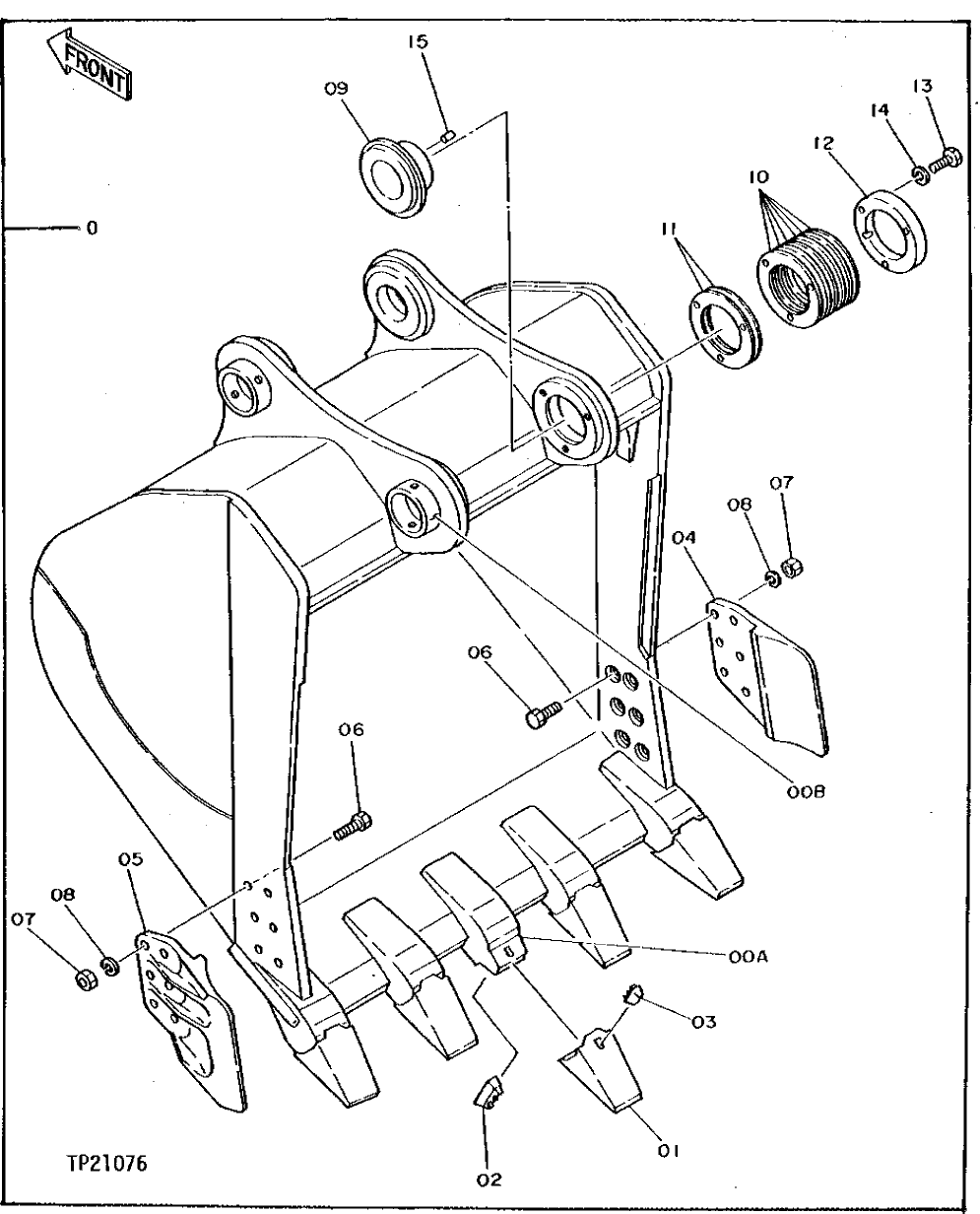
Запчасти John Deere 92DLC 175 - Bucket (1-3/4 Cubic Yard) 3302 BUCKETS, TEETH, SHANKS AND SIDECUTTERS

Схема запчастей John Deere 92DLC - 175 - Bucket (1-3/4 Cubic Yard) 3302 BUCKETS, TEETH, SHANKS AND SIDECUTTERS
FIT
1:1
100%

Артикул

Название

Примечание

Количество

0

Multi-Purpose Bucket

TH110165 NO LONGER AVA ILABLE, 1-3/4 CUBIC YARD

1шт.

Excavator Bucket

1.2 CUBIC YARD

1шт.

0A

4326645

Bucket Tooth Adapter

SUB FOR 4195699 AND TH111281)

5шт.

0B

TH103198

Bushing

2шт.

1

Tooth

SUB FOR TH109818 OR T33187, T40S NLA

5шт.

2

T40PN

Pin Fastener

SUB FOR T33188

5шт.

3

T3540LK

Lock

SUB FOR T33146

5шт.

4

2021232

Cutting Edge

SUB FOR TH109819

1шт.

5

2021233

Cutting Edge

SUB FOR TH109820

1шт.

6

19M9179

Cap Screw

M22 X 65 SUB FOR TH102456 OR J932265

12шт.

7

J951022

Nut

SUB FOR TH102457

12шт.

8

12H245

Lock Washer

7/8" SUB FOR 12H352

12шт.

9

4143522

Bushing

(K) SUB FOR TH103234

1шт.

10

4143524

Washer

(K) SUB FOR TH103235

6шт.

11

4143525

Shim

(K) SUB FOR TH103236

2шт.

12

TH103237

Plate

(K)

1шт.

13

19M7489

Cap Screw

(K) M16 X 45

3шт.

14

12H294

Lock Washer

(K) 5/8"

3шт.

15

4179110

Pin

(K) SUB FOR TH103520

1шт.

Выбрано товаров: 19