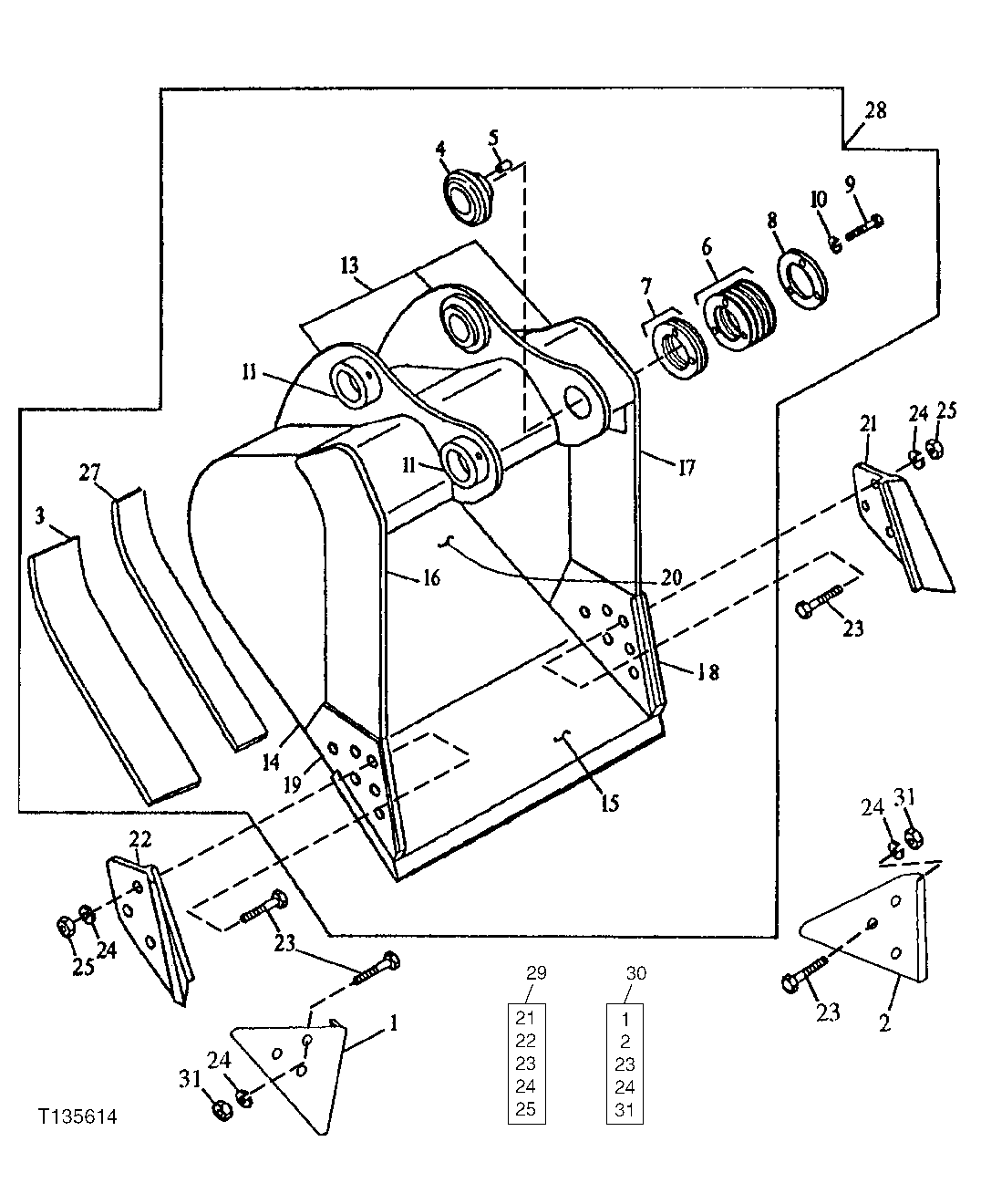
Запчасти John Deere 92DLC 180 - Heavy Duty Bucket (Also Order Bucket Tooth Assemblies) 3302 BUCKETS, TEETH, SHANKS AND SIDECUTTERS

Схема запчастей John Deere 92DLC - 180 - Heavy Duty Bucket (Also Order Bucket Tooth Assemblies) 3302 BUCKETS, TEETH, SHANKS AND SIDECUTTERS
FIT
1:1
100%

Артикул

Название

Примечание

Количество

1

Shroud

(B) (RIGHT EDGE PROTECTOR)

1шт.

2

Shroud

(B) (LEFT EDGE PROTECTOR)

1шт.

3

304559

Bar

(OUTER WEAR - 36 INCH OR 54 INCH BUCKET) (SEE FOOTNOTE)

2шт.

304579

Bar

(OUTER WEAR - 42 INCH OR 48 INCH BUCKET) (SEE FOOTNOTE)

2шт.

4

4143522

Bushing

(SUB FOR TH103234)

1шт.

5

4179110

Pin

12.012 X 25 mm (SUB FOR TH103520)

1шт.

6

4143524

Washer

(SUB FOR TH103235)(1 MM)

6шт.

7

4143525

Shim

(SUB FOR TH103236)(.5 MM)

2шт.

8

TH103237

Plate

1шт.

9

19H2706

Cap Screw

5/8" X 2"

3шт.

10

12H294

Lock Washer

5/8"

3шт.

11

TH103198

Bushing

101.600 X 127 X 49.276 mm

2шт.

13

C606071

Pivot

(BUCKET EAR BLANK ASSEMBLY) (SEE FOOTNOTE)

1шт.

14

306995

Plate

(RIGHT AND LEFT SIDE - 36 INCH AN D 54 INCH BUCKETS) (SEE FOOTNOTE)

2шт.

304578

Plate

(RIGHT AND LEFT SIDE - 42 INCH AN D 48 INCH BUCKETS) (SEE FOOTNOTE)

2шт.

15

AT131097

Dura-Max Cutting Edge

(CUT TO LENGTH) (72 INCHES)

1шт.

T154189

Dura-Max Cutting Edge

(CUT TO LENGTH) (42 INCHES)

1шт.

T154188

Dura-Max Cutting Edge

(CUT TO LENGTH) (36 INCHES)

1шт.

16

300283

Vertical Cutter

(UPPER RIGHT SIDE CUTTER - 36 INCH OR 54 INCH BUCKET) (SEE FOOTNOTE)

1шт.

301025

Vertical Cutter

(UPPER RIGHT SIDE CUTTER - 42 INCH OR 48 INCH BUCKET) (SEE FOOTNOTE)

1шт.

17

300284

Vertical Cutter

(UPPER LEFT SIDE CUTTER - 36 INCH OR 54 INCH BUCKET) (SEE FOOTNOTE)

1шт.

301026

Vertical Cutter

(UPPER LEFT SIDE CUTTER - 42 INCH OR 48 INCH BUCKET) (SEE FOOTNOTE)

1шт.

18

304568

Vertical Cutter

(LEFT SIDE CUTTER INSERT - 36 INCH OR 54 INCH BUCKET) (SEE FOOTNOTE)

1шт.

304577

Vertical Cutter

(LEFT SIDE CUTTER INSERT - 42 INCH OR 48 INCH BUCKET) (SEE FOOTNOTE)

1шт.

19

304567

Vertical Cutter

(RIGHT SIDE CUTTER INSERT - 36 INC H OR 54 INCH BUCKET) (SEE FOOTNOTE)

1шт.

304576

Vertical Cutter

(RIGHT SIDE CUTTER INSERT - 42 INC H OR 48 INCH BUCKET) (SEE FOOTNOTE)

1шт.

20

600167

Moldboard

(36 INCH) (SEE FOOTNOTE)

1шт.

600542

Moldboard

(42 INCH) (SEE FOOTNOTE)

1шт.

600543

Moldboard

(48 INCH) (SEE FOOTNOTE)

1шт.

600971

Moldboard

(54 INCH) (SEE FOOTNOTE)

1шт.

21

Cutting Edge

(A) (LEFT SIDE CUTTER)

1шт.

22

Cutting Edge

(A) (RIGHT SIDE CUTTER)

1шт.

23

09H1771

Bolt

(A) (B) 7/8" X 3"

6шт.

24

12H245

Lock Washer

(A) (B) 7/8"

6шт.

25

14H1077

Nut

(A) 7/8"

6шт.

27

300291

Bar

(INNER WEAR - 36 INCH OR 54 INCH BUCKET) (SEE FOOTNOTE)

2шт.

301024

Bar

(INNER WEAR - 42 INCH OR 48 INCH BUCKET) (SEE FOOTNOTE)

2шт.

28

Excavator Bucket

(SUB FOR AT131055 OR AT131175)( AT16366 3 NLA) (36 INCH - 1.48 CUBIC YARD) (AVAI LABLE TOOTH ASSEMBLIES ON SEPARATE PAGE)

1шт.

Excavator Bucket

(SUB FOR AT131057 OR AT131177)( AT16729 6 NLA) (42 INCH - 1.75 CUBIC YARD) (AVAI LABLE TOOTH ASSEMBLIES ON SEPARATE PAGE)

1шт.

Excavator Bucket

(SUB AT332729 ) (SUB FOR AT131058 OR AT13117 8)( AT267297 NLA) (48 INCH - 2.03 CUBIC YARD) (AVAILABLE TOOTH ASSEMBLIES ON SEPARATE PAGE )

1шт.

Excavator Bucket

(SUB AT332730)( AT163666 NLA) (54 INCH - 2.30 CUBIC YARD) (AVAILABLE TOOTH ASSEMBLIES ON SEPARATE PAGE)

1шт.

29

AT131085

End Bit

WHOLE GOODS (SIDE CUTTER KIT ) (INCLUDES PARTS MARKED (A))

1шт.

30

AT167876

Kit

WHOLE GOODS (EDGE PROTECTOR KI T) (INCLUDES PARTS MARKED (B))

1шт.

31

14H1044

Nut

(B) 7/8"

6шт.

Выбрано товаров: 44