Запчасти John Deere 92DLC 184 - Bucket (Severe Duty Lip Plate) Also Order Bucket Tooth Assemblies) 3302 BUCKETS, TEETH, SHANKS AND SIDECUTTERS

Схема запчастей John Deere 92DLC - 184 - Bucket (Severe Duty Lip Plate) Also Order Bucket Tooth Assemblies) 3302 BUCKETS, TEETH, SHANKS AND SIDECUTTERS
FIT
1:1
100%

Артикул

Название

Примечание

Количество

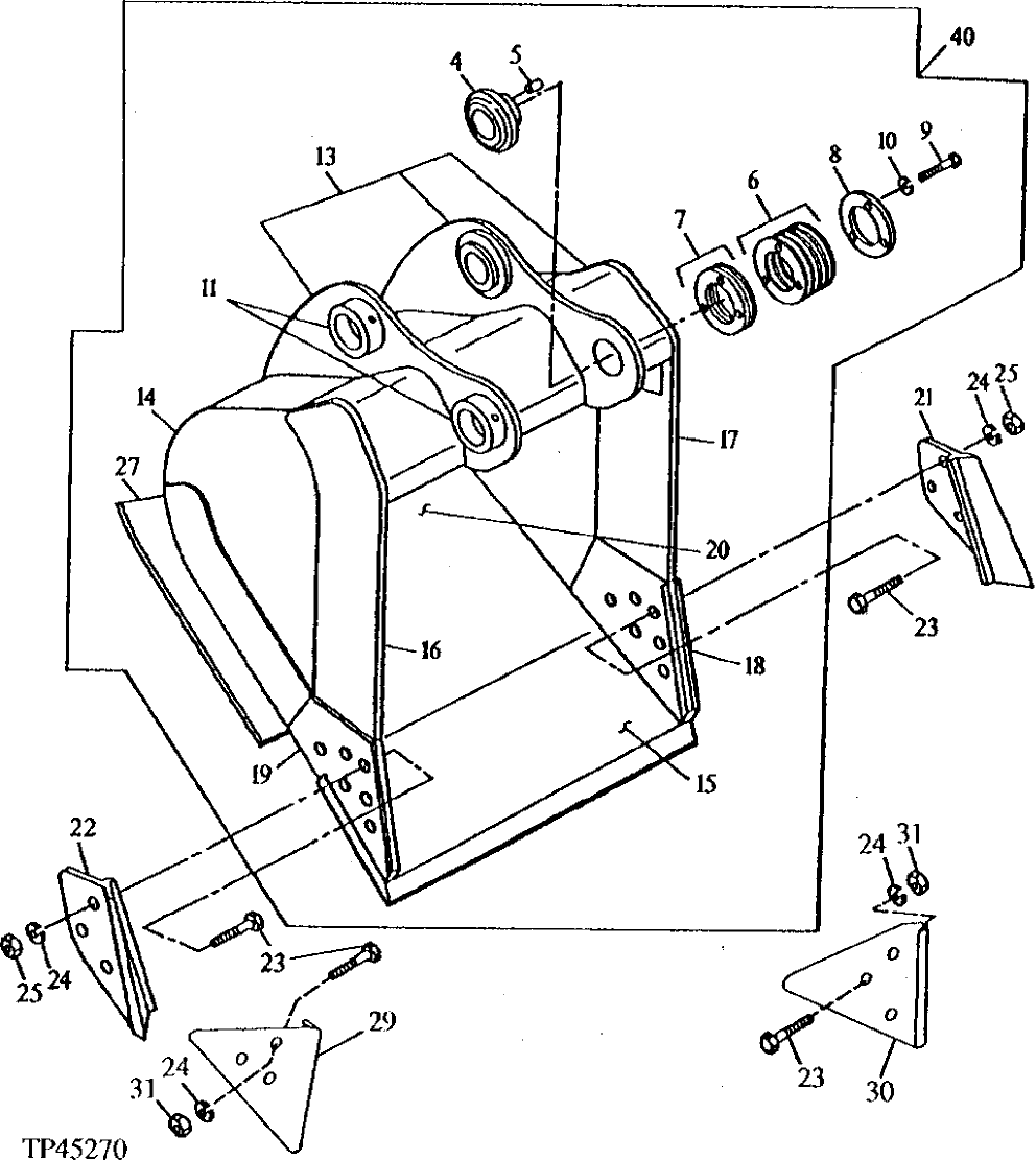
4

4143522

Bushing

(SUB FOR TH103234)

1шт.

5

4179110

Pin

12.012 X 25 mm (SUB FOR TH103520)

1шт.

6

4143524

Washer

(SUB FOR TH103235)(1 MM)

6шт.

7

4143525

Shim

(SUB FOR TH103236)(.5 MM)

2шт.

8

TH103237

Plate

1шт.

9

19H2706

Cap Screw

5/8" X 2"

3шт.

10

12H294

Lock Washer

5/8"

3шт.

11

TH103198

Bushing

101.600 X 127 X 49.276 mm

2шт.

13

C606071

Pivot

(F) (BUCKET EAR BLANK ASSEMBLY)

1шт.

14

305443

Plate

(F) (RIGHT AND LEFT SIDE)

2шт.

15

AT131096

Dura-Max Cutting Edge

(CUT TO LENGTH)

1шт.

16

301025

Vertical Cutter

(F) (UPPER RIGHT SIDE CUTTER)

1шт.

17

301026

Vertical Cutter

(F) (UPPER LEFT SIDE CUTTER)

1шт.

18

305445

Vertical Cutter

(F) (LEFT SIDE CUTTER INSERT)

1шт.

19

305444

Vertical Cutter

(F) (RIGHT SIDE CUTTER INSERT)

1шт.

20

605585

Moldboard

(F) (42 INCH)

1шт.

605586

Moldboard

(F) (48 INCH)

1шт.

21

Cutting Edge

(K) (SUB AT131086)(42 OR 48 INCH BUCKET)

1шт.

Cutting Edge

(SUB AT131085)(K2) (30 OR 36 INCH BUCKET)

1шт.

22

Cutting Edge

(K) (SUB AT131086)(42 OR 48 INCH BUCKET)

1шт.

Cutting Edge

(SUB AT131085)(K2) (30 OR 36 INCH BUCKET)

1шт.

23

09H1772

Bolt

(K) 7/8" X 3-1/2" (K3) (42 OR 48 INCH BUCKET)

6шт.

09H1771

Bolt

7/8" X 3" (K2) (K4) (30 OR 36 INCH BUCKET)

6шт.

24

12H245

Lock Washer

(K) 7/8" (K2) (K3) (K4)

6шт.

25

14H1077

Nut

(K) 7/8" (K2)

6шт.

27

605591

Bar

(F) (DOUBLE BOTTOM WEA R BAR - 42 INCH BUCKET)

1шт.

605592

Bar

(F) (DOUBLE BOTTOM WEA R BAR - 48 INCH BUCKET)

1шт.

29

Shroud

(WEAR SHROUD) (SUB AT167878 (K3) (K4))

1шт.

30

Shroud

(WEAR SHROUD) (SUB AT167878 (K3) (K4))

1шт.

31

14H1044

Nut

7/8" (K3) (K4)

6шт.

40

Excavator Bucket

( AT167301 NLA) (30 INCH - 1.26 CUBIC YARD) (AVAILABLE TOOTH ASSEMBLIES ON SEPARATE PAGE)

1шт.

Excavator Bucket

( AT167302 NLA) (36 INCH - 1.56 CUBIC YARD) (AVAILABLE TOOTH ASSEMBLIES ON SEPARATE PAGE)

1шт.

Excavator Bucket

(SUB FOR AT131061 OR AT131181)( AT16366 9 NLA) (42 INCH - 1.85 CUBIC YARD) (AVAI LABLE TOOTH ASSEMBLIES ON SEPARATE PAGE)

1шт.

Excavator Bucket

(SUB FOR AT131062 OR AT131182)( AT16367 0 NLA) (48 INCH - 2.15 CUBIC YARD) (AVAI LABLE TOOTH ASSEMBLIES ON SEPARATE PAGE)

1шт.

Выбрано товаров: 34