Запчасти John Deere 92DLC 186 - General Purpose High Capacity Bucket (30, 36, 42 in.) (Also Order Bucket Tooth Assemblies) 3302 BUCKETS, TEETH, SHANKS AND SIDECUTTERS

Схема запчастей John Deere 92DLC - 186 - General Purpose High Capacity Bucket (30, 36, 42 in.) (Also Order Bucket Tooth Assemblies) 3302 BUCKETS, TEETH, SHANKS AND SIDECUTTERS
FIT
1:1
100%

Артикул

Название

Примечание

Количество

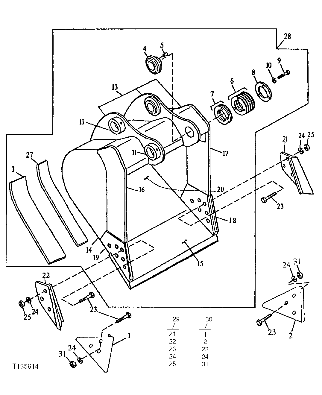
1

Shroud

(B) (RIGHT EDGE PROTECTOR)

1шт.

2

Shroud

(B) (LEFT EDGE PROTECTOR)

1шт.

3

307451

Bar

(OUTER WEAR) (SEE FOOTNOTE)

2шт.

4

4143522

Bushing

(SUB FOR TH103234)

1шт.

5

4179110

Pin

12.012 X 25 mm (SUB FOR TH103520 )(USE 1 WITH 30 INCH OR 36 INCH B UCKET) (USE 2 WITH 42 INCH BUCKET )

ARшт.

6

4143524

Washer

(SUB FOR TH103235)(1 MM)

6шт.

7

4143525

Shim

(SUB FOR TH103236)(.5 MM)

2шт.

8

TH103237

Plate

1шт.

9

19H2706

Cap Screw

5/8" X 2"

3шт.

10

12H294

Lock Washer

5/8"

3шт.

11

TH103198

Bushing

101.600 X 127 X 49.276 mm

2шт.

13

C606071

Pivot

(BUCKET EAR BLANK ASSEMBLY) (SEE FOOTNOTE)

1шт.

14

304578

Plate

(RIGHT AND LEFT SIDE) (SEE FOOTNOTE)

2шт.

15

AT131097

Dura-Max Cutting Edge

(CUT TO LENGTH) (72 INCHES)

1шт.

T154189

Dura-Max Cutting Edge

(CUT TO LENGTH) (42 INCHES)

1шт.

T154188

Dura-Max Cutting Edge

(CUT TO LENGTH) (36 INCHES)

1шт.

16

300642

Vertical Cutter

(UPPER RIGHT SIDE CUTTER) (SEE FOOTNOTE)

1шт.

17

300643

Vertical Cutter

(UPPER LEFT SIDE CUTTER) (SEE FOOTNOTE)

1шт.

18

304568

Vertical Cutter

(LEFT SIDE CUTTER INSERT) (SEE FOOTNOTE)

1шт.

19

304567

Vertical Cutter

(RIGHT SIDE CUTTER INSERT) (SEE FOOTNOTE)

1шт.

20

600361

Moldboard

(30 INCH) (SEE FOOTNOTE)

1шт.

600362

Moldboard

(36 INCH) (SEE FOOTNOTE)

1шт.

600363

Moldboard

(42 INCH) (SEE FOOTNOTE)

1шт.

21

Cutting Edge

(A) (LEFT SIDE CUTTER)

1шт.

22

Cutting Edge

(A) (RIGHT SIDE CUTTER)

1шт.

23

09H1771

Bolt

(A) (B) 7/8" X 3"

6шт.

24

12H245

Lock Washer

(A) (B) 7/8"

6шт.

25

14H1077

Nut

(A) 7/8"

6шт.

27

300645

Bar

(INNER WEAR) (SEE FOOTNOTE)

2шт.

28

Excavator Bucket

(SUB FOR AT131052 OR AT131172)( AT16365 6 NLA) (30 INCH - 1.26 CUBIC YARD) (AVAI LABLE TOOTH ASSEMBLIES ON SEPARATE PAGE)

1шт.

Excavator Bucket

(SUB FOR AT131053 OR AT131173)( AT16365 7 NLA) (36 INCH - 1.56 CUBIC YARD) (AVAI LABLE TOOTH ASSEMBLIES ON SEPARATE PAGE)

1шт.

Excavator Bucket

(SUB FOR AT131054 OR AT131174)( AT16365 8 NLA) (42 INCH - 1.85 CUBIC YARD) (AVAI LABLE TOOTH ASSEMBLIES ON SEPARATE PAGE)

1шт.

29

AT131085

End Bit

WHOLE GOODS (SIDE CUTTER KIT ) (INCLUDES PARTS MARKED (A))

1шт.

30

AT167876

Kit

WHOLE GOODS (EDGE PROTECTOR KI T) (INCLUDES PARTS MARKED (B))

1шт.

31

14H1044

Nut

(B) 7/8"

6шт.

Выбрано товаров: 35