Запчасти John Deere 92DLC 187 - General Purpose High Capacity Bucket (48, 54, 60 in.) (Also Order Bucket Tooth Assemblies) 3302 BUCKETS, TEETH, SHANKS AND SIDECUTTERS

Схема запчастей John Deere 92DLC - 187 - General Purpose High Capacity Bucket (48, 54, 60 in.) (Also Order Bucket Tooth Assemblies) 3302 BUCKETS, TEETH, SHANKS AND SIDECUTTERS
FIT
1:1
100%

Артикул

Название

Примечание

Количество

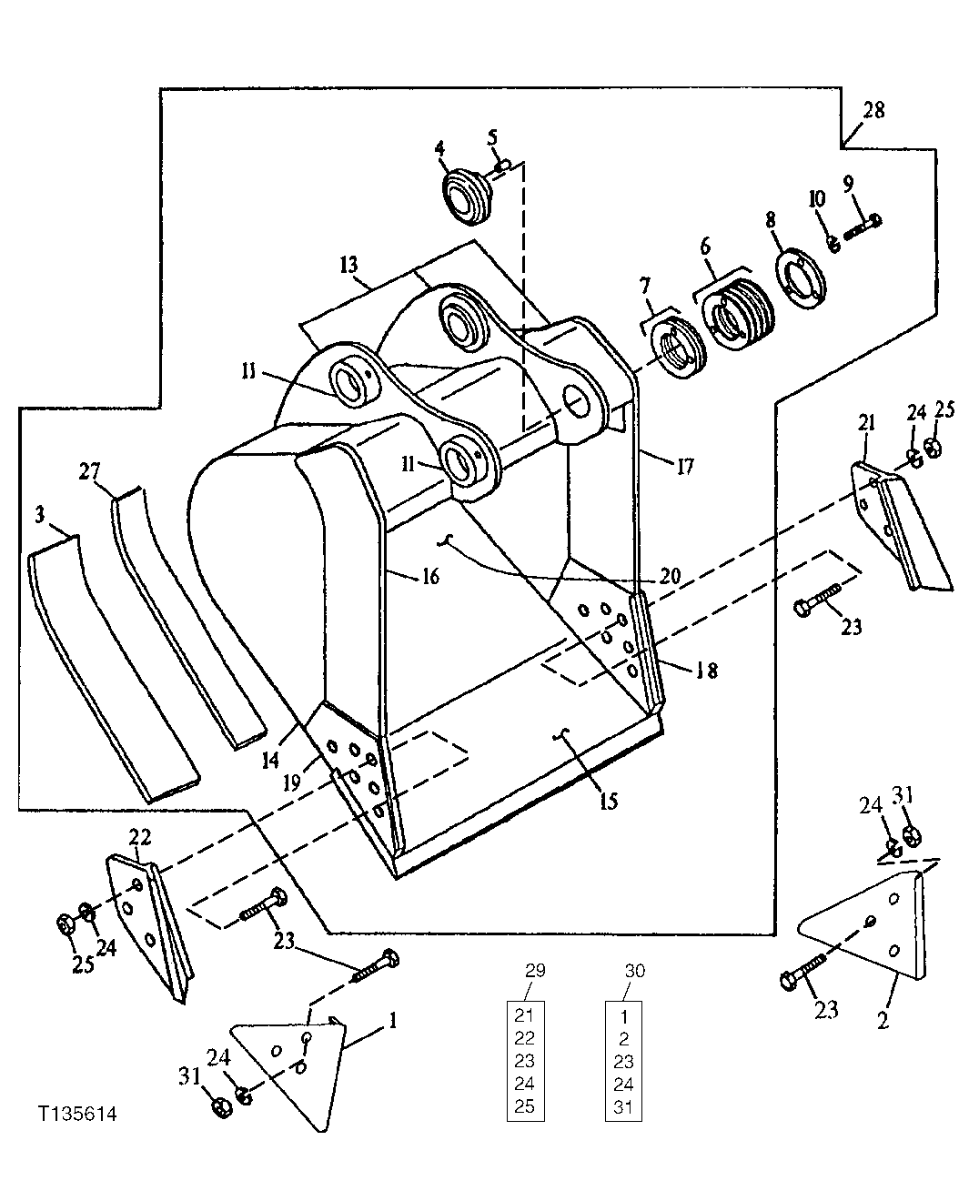
1

Shroud

(B) (RIGHT EDGE PROTECTOR)

1шт.

2

Shroud

(B) (LEFT EDGE PROTECTOR)

1шт.

3

307048

Bar

(OUTER WEAR) (SEE FOOTNOTE)

2шт.

4

4143522

Bushing

(SUB FOR TH103234)

1шт.

5

4179110

Pin

12.012 X 25 mm (SUB FOR TH103520)

1шт.

6

4143524

Washer

(SUB FOR TH103235)(1 MM)

6шт.

7

4143525

Shim

(SUB FOR TH103236)(.5 MM)

2шт.

8

TH103237

Plate

1шт.

9

19H2706

Cap Screw

5/8" X 2"

3шт.

10

12H294

Lock Washer

5/8"

3шт.

11

TH103198

Bushing

101.600 X 127 X 49.276 mm

2шт.

13

C606071

Pivot

(BUCKET EAR BLANK ASSEMBLY) (SEE FOOTNOTE)

1шт.

14

307047

Plate

(RIGHT AND LEFT SIDE) (SEE FOOTNOTE)

2шт.

15

AT131090

Dura-Max Cutting Edge

CUT TO LENGTH

1шт.

16

300483

Vertical Cutter

(UPPER RIGHT SIDE CUTTER) (SEE FOOTNOTE)

1шт.

17

300484

Vertical Cutter

(UPPER LEFT SIDE CUTTER) (SEE FOOTNOTE)

1шт.

18

300482

Vertical Cutter

(LEFT SIDE CUTTER INSERT) (SEE FOOTNOTE)

1шт.

19

300481

Vertical Cutter

(RIGHT SIDE CUTTER INSERT) (SEE FOOTNOTE)

1шт.

304567

Vertical Cutter

(RIGHT SIDE CUTTER INSERT) (SEE FOOTNOTE)

1шт.

20

600292

Moldboard

(48 INCH) (SEE FOOTNOTE)

1шт.

600915

Moldboard

(54 INCH) (SEE FOOTNOTE)

1шт.

600916

Moldboard

(60 INCH) (SEE FOOTNOTE)

1шт.

21

Cutting Edge

(A) (LEFT SIDE CUTTER)

1шт.

22

Cutting Edge

(A) (RIGHT SIDE CUTTER)

1шт.

23

09H1771

Bolt

(A) (B) 7/8" X 3"

6шт.

24

12H245

Lock Washer

(A) (B) 7/8"

6шт.

25

14H1077

Nut

(A) 7/8"

6шт.

27

300479

Bar

(INNER WEAR) (SEE FOOTNOTE)

2шт.

28

Excavator Bucket

(SUB FOR AT131049 OR AT131169 ) (SUB AT33272 4)( AT167293 NLA) (48 INCH - 2.15 CUBIC YARD) (AVAILABLE TOOTH ASSEMBLIES ON SEPARATE PAGE )

1шт.

Excavator Bucket

(SUB FOR AT131050 OR AT131170 ) (SUB AT33272 5)( AT167294 NLA) (54 INCH - 2.45 CUBIC YARD) (AVAILABLE TOOTH ASSEMBLIES ON SEPARATE PAGE )

1шт.

Excavator Bucket

(SUB FOR AT131051 OR AT131171 ) (SUB AT33272 6)( AT167295 NLA) (60 INCH - 2.74 CUBIC YARD) (AVAILABLE TOOTH ASSEMBLIES ON SEPARATE PAGE )

1шт.

29

AT131085

End Bit

WHOLE GOODS (SIDE CUTTER KIT ) (INCLUDES PARTS MARKED (A))

1шт.

30

AT167876

Kit

WHOLE GOODS (EDGE PROTECTOR KI T) (INCLUDES PARTS MARKED (B))

1шт.

31

14H1044

Nut

(B) 7/8"

6шт.

Выбрано товаров: 34