Запчасти John Deere 92DLC 12 - Brake Valve 0260 HYDRAULIC SYSTEM

Схема запчастей John Deere 92DLC - 12 - Brake Valve 0260 HYDRAULIC SYSTEM
FIT
1:1
100%

Артикул

Название

Примечание

Количество

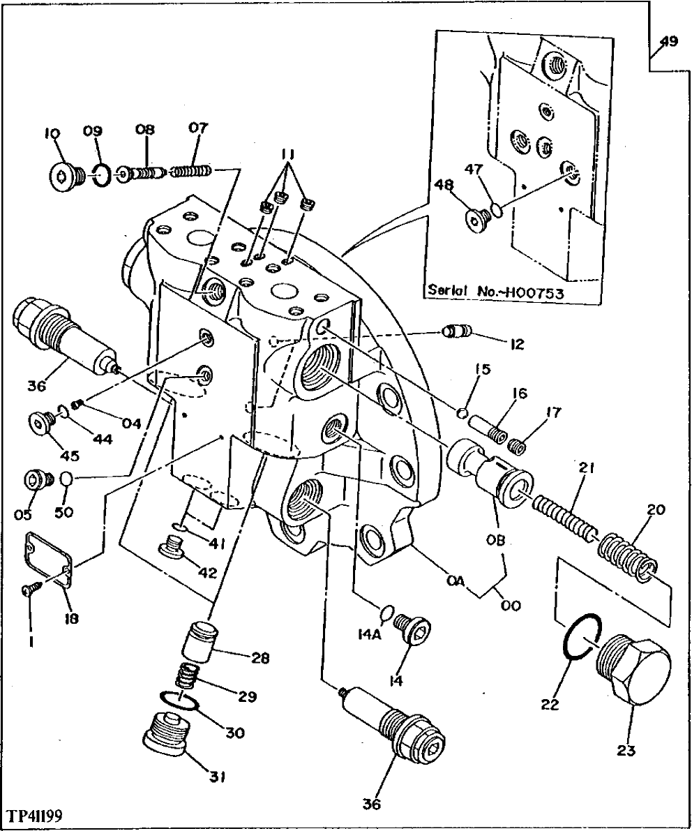
0

Housing

( TH111462 NO LONGER AVAILABLE)

1шт.

0A

Housing

1шт.

0B

Valve Spool

2шт.

1

37H99

Screw

0.100" X 1/4"

2шт.

4

4200879

Orifice

(SUB FOR TH109128)

1шт.

5

4208977

Drain Plug

(SUB FOR TH111351)

1шт.

7

4185136

Spring

(SUB FOR T107783)

1шт.

8

4188556

Spool

(SUB FOR TH111230)

1шт.

9

CH11570

O-Ring

1шт.

10

15M7036

Drain Plug

1шт.

11

15H560

Pipe Plug

1/16"

3шт.

12

4177927

Pin

(SUB FOR T107780)

2шт.

14

15M7036

Drain Plug

(SUB FOR TH109285 OR 0309805)(SUB FOR T 107751 OR TH111931, ALONG WITH CH11570)

1шт.

14A

CH11570

O-Ring

(USE WITH 0309805 OR 15M7036 PLUG)

1шт.

15

R26552

Ball

7.938 mm

1шт.

16

4197136

Seat

(SUB FOR TH111285)

1шт.

17

942011

Fitting Plug

(SUB FOR 94-2011 AND TH100434)

1шт.

18

Serial Number Plate

1шт.

20

4180687

Spring

(SUB FOR T107785)

2шт.

21

4180688

Compression Spring

(SUB FOR T107786)

2шт.

22

T110441

O-Ring

34.700 X 3.500 mm

2шт.

23

4195070

Fitting Plug

(SUB FOR T107794)

2шт.

28

4174629

Poppet

(SUB FOR T107788)

2шт.

29

4174072

Spring

(SUB FOR T107789)

2шт.

30

AT318035

O-Ring

(SUB FOR 4506424, TH100055)

2шт.

31

4195071

Fitting Plug

(SUB FOR T107795)

2шт.

36

9076536

Pressure Relief Valve

(SUB FOR TH111614)

2шт.

41

M800650

Packing

2шт.

42

4208977

Drain Plug

(SUB FOR TH111351)

2шт.

44

M800650

Packing

1шт.

45

4208977

Drain Plug

(SUB FOR TH111351)

1шт.

47

M800650

Packing

2шт.

48

4208977

Drain Plug

(SUB FOR TH111351)

2шт.

49

9127390

Flow Control Hyd. Valve

(SUB FOR TH111603)(USE IF AVAILABLE)

1шт.

9127390

Flow Control Hyd. Valve

(SUB FOR TH111603 ) (SUB FOR AT201170)

1шт.

50

CH11561

Packing

(SUB FOR AT134298)

1шт.

Выбрано товаров: 36