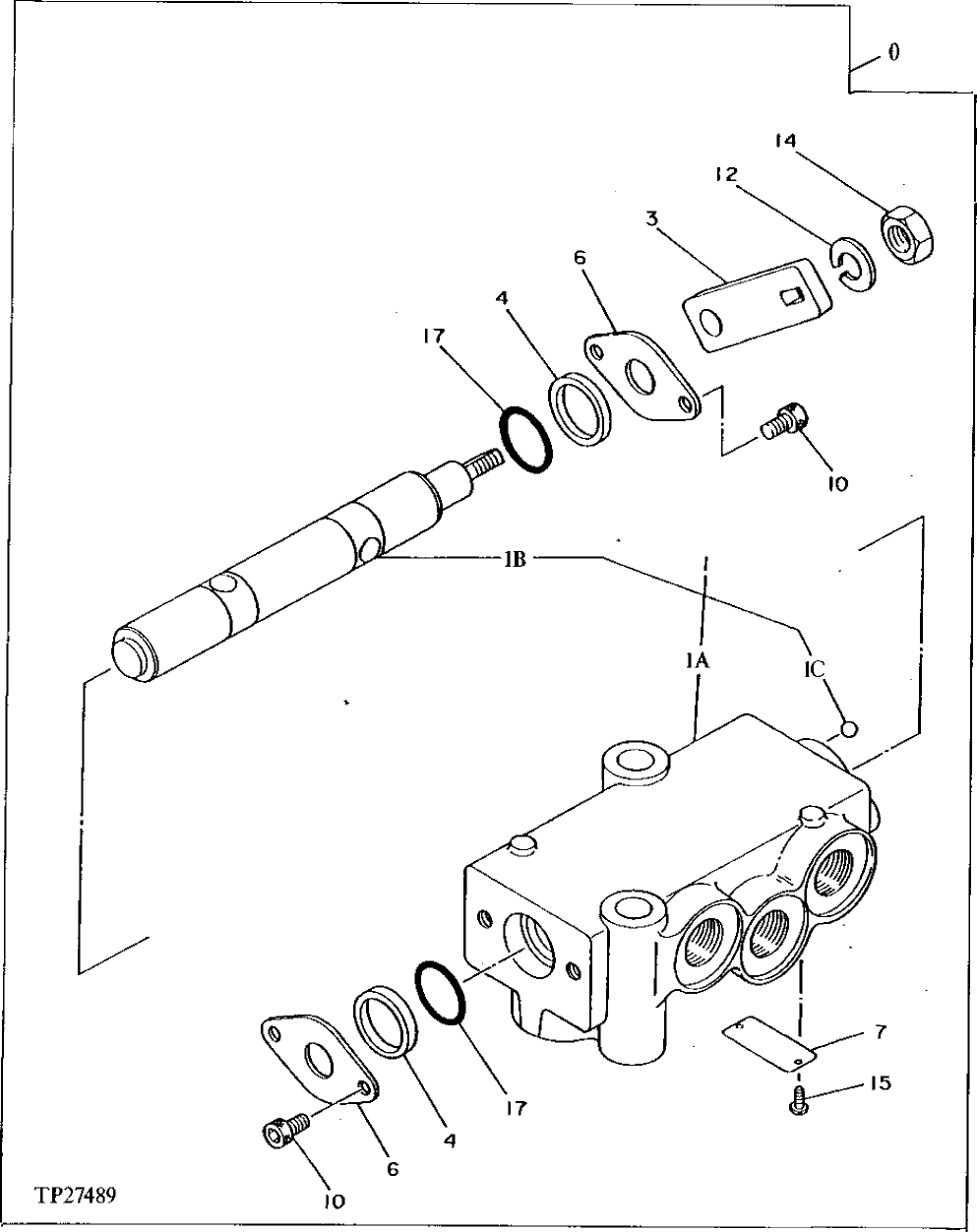
Запчасти John Deere 92DLC 237 - PILOT SHUT-OFF VALVE 3360 HYDRAULIC SYSTEM

Схема запчастей John Deere 92DLC - 237 - PILOT SHUT-OFF VALVE 3360 HYDRAULIC SYSTEM
FIT
1:1
100%

Артикул

Название

Примечание

Количество

0

4179025

Flow Control Hyd. Valve

(SUB FOR TH108432)

1шт.

1

Housing

(SUB TH108432)

1шт.

1A

Housing

(SUB TH108432)

1шт.

1B

Spool

(SUB TH108432)

1шт.

1C

0309902

Ball

3 mm (SUB FOR TH109297)

1шт.

3

0309903

Lever

(SUB FOR TH109298)

1шт.

4

0309904

Back-Up Ring

18.100 X 22 X 2.700 mm (SUB FOR TH109299)

2шт.

6

0309905

Holder

(SUB FOR TH109300)

2шт.

7

Identification Plate

(NOT AVAILABLE FOR SERVICE)

1шт.

10

0344046

Bolt

M5 X 8 (SUB FOR TH1093 01 ) (SUB FOR AT121123)

4шт.

12

12M7066

Lock Washer

10 mm (SUB FOR TH109303)

1шт.

14

0309910

Nut

M10 (SUB FOR TH109305)

1шт.

15

0208717

Screw

(SUB FOR TH102697)

2шт.

17

CH14634

O-Ring

17.800 X 2.400 mm

2шт.

Выбрано товаров: 14