Запчасти John Deere 92DLC 37 - ENGINE OIL PUMP (EARLY DESIGN CRANKSHAFT DRIVEN) ( - 361407) 0407 OILING SYSTEM 6466AT014 6466AT014

Схема запчастей John Deere 92DLC - 37 - ENGINE OIL PUMP (EARLY DESIGN CRANKSHAFT DRIVEN) ( - 361407) 0407 OILING SYSTEM 6466AT014 6466AT014
FIT
1:1
100%

Артикул

Название

Примечание

Количество

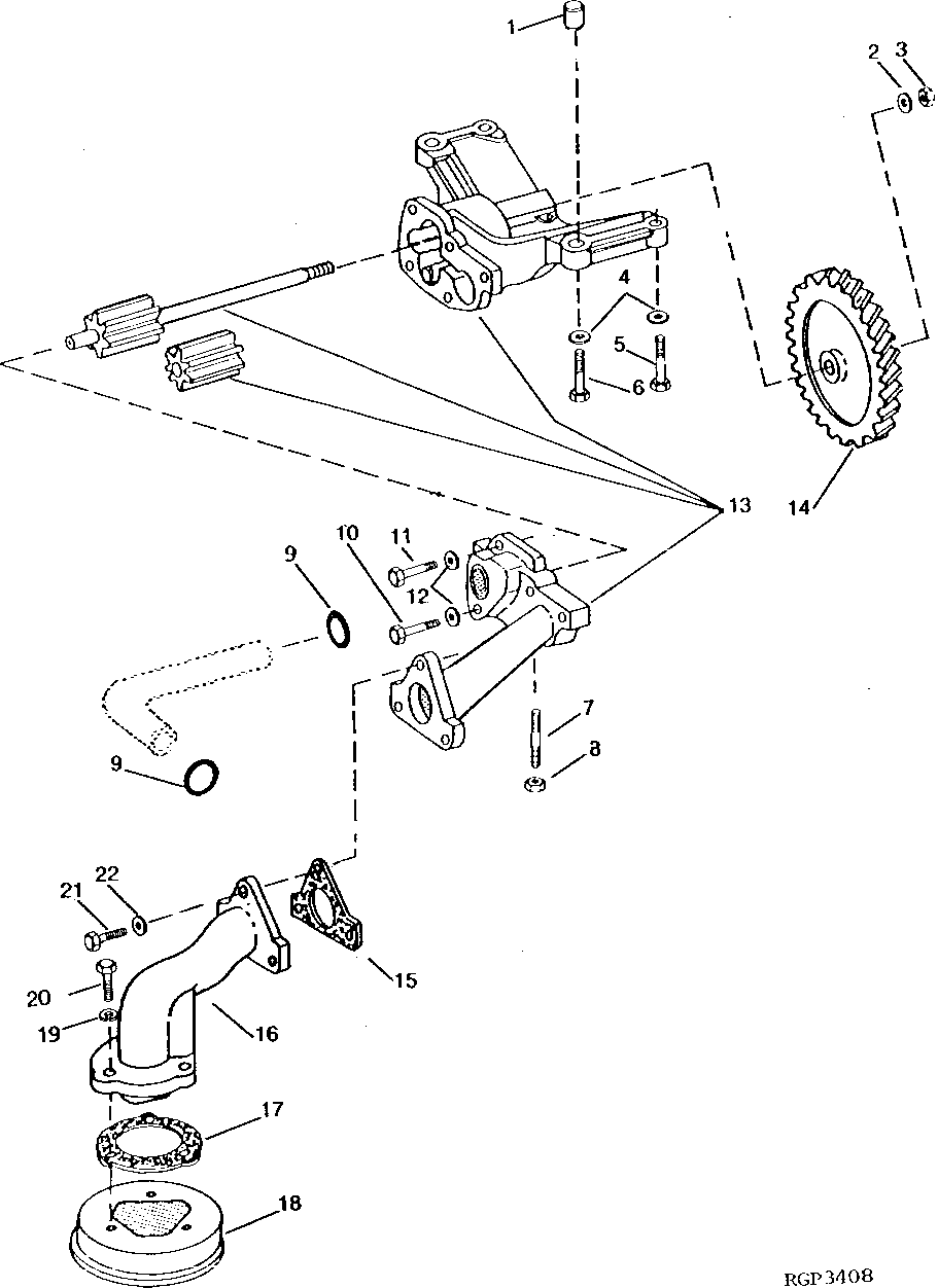
1

R500642

Bushing

(SUB FOR R62930, THIS APPLICATION)

2шт.

2

T21242

Washer

1шт.

3

14H826

Nut

1/2" (SUB FOR R79187)

1шт.

4

R57696

Washer

4шт.

5

19H3219

Cap Screw

3/8" X 1-3/8"

2шт.

6

19H2549

Cap Screw

3/8" X 1-7/8"

2шт.

7

22H1040

Set Screw

5/16" X 1-1/4"

1шт.

8

14H785

Nut

5/16"

1шт.

9

R71732

O-Ring

2шт.

10

19H2733

Cap Screw

3/8" X 2-3/8"

2шт.

11

19H1765

Cap Screw

3/8" X 1-3/4"

3шт.

12

24M7239

Washer

10.700 X 21 X 2.500 mm ( SUB FOR R70234 OR R42729)

5шт.

13

AR99344

Oil Pump

(A) (SUB FOR AR96193 ) (MAR KED R62946) (ORDER SE501063)

1шт.

SE501063

Oil Pump Reman

(REMAN FOR AR99344)

1шт.

14

R62938

Gear

1шт.

15

R71312

Gasket

1шт.

16

R79864

Elbow Fitting

(USE WITH AR99344 OR AR96193)

1шт.

17

R52049

Gasket

1шт.

18

AR56639

Oil Pump Intake

1шт.

19

12H303

Lock Washer

5/16"

3шт.

20

19H1905

Cap Screw

5/16" X 1"

3шт.

21

19H3239

Cap Screw

3/8" X 1-1/4"

3шт.

22

24M7239

Washer

10.700 X 21 X 2.500 mm ( SUB FOR R70234 OR R42729)

3шт.

Выбрано товаров: 23