Запчасти John Deere 92DLC 42 - Engine Oil Cooler Bypass Valve And Housing (Engine Serial No. 167389-358750) (Short Block Serial No. 503105-736300) (167389 - 358750) 0407 OILING SYSTEM 6466AT014 6466AT014

Схема запчастей John Deere 92DLC - 42 - Engine Oil Cooler Bypass Valve And Housing (Engine Serial No. 167389-358750) (Short Block Serial No. 503105-736300) (167389 - 358750) 0407 OILING SYSTEM 6466AT014 6466AT014
FIT
1:1
100%

Артикул

Название

Примечание

Количество

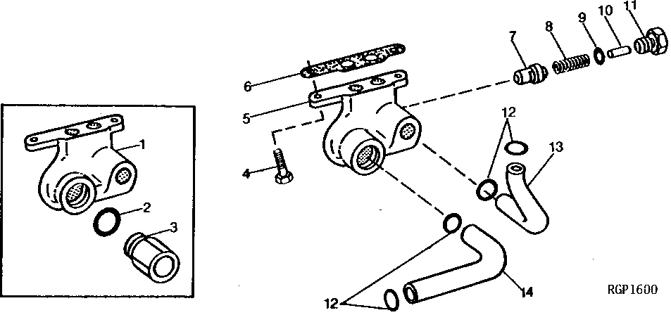
1

R62954

Housing

(SUB R78134)

1шт.

2

U13639

O-Ring

1шт.

3

R65683

Tube Nut

1шт.

R119364

Fitting

(NOT AS SHOWN) (USE WITH L ATE DESIGN OIL PUMP INTAKE)

1шт.

4

R40236

Cap Screw

2шт.

5

R78134

Housing

1шт.

6

R65055

Gasket

1шт.

7

R49464

Valve

1шт.

8

R26151

Spring

1шт.

9

U17409

O-Ring

1шт.

10

34H313

Spring Pin

1/4" X 1-1/8"

1шт.

11

R49465

Drain Plug

1шт.

12

R71732

O-Ring

4шт.

13

R50386

Oil Tube

1шт.

14

R62952

Oil Tube

1шт.

Выбрано товаров: 15