Запчасти John Deere 92DLC 43 - Engine Oil Cooler Bypass Valve And Housing (Engine Serial No. 358751 - ) (Short Block Serial No. 736400 - ) (167389 - 358750) 0407 OILING SYSTEM 6466AT014 6466AT014

Схема запчастей John Deere 92DLC - 43 - Engine Oil Cooler Bypass Valve And Housing (Engine Serial No. 358751 - ) (Short Block Serial No. 736400 - ) (167389 - 358750) 0407 OILING SYSTEM 6466AT014 6466AT014
FIT
1:1
100%

Артикул

Название

Примечание

Количество

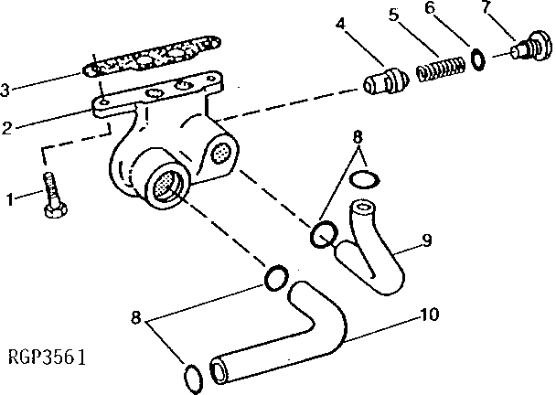
1

R40236

Cap Screw

2шт.

2

R78134

Housing

1шт.

3

R65055

Gasket

1шт.

4

R49464

Valve

1шт.

5

R26151

Spring

1шт.

6

U17409

O-Ring

1шт.

7

R86875

Fitting Plug

1шт.

8

R71732

O-Ring

4шт.

9

R50386

Oil Tube

1шт.

10

R62952

Oil Tube

1шт.

Выбрано товаров: 10