Запчасти John Deere 92DLC 48 - Exhaust Manifolds 0410 Exhaust Manifold 6466AT014 6466AT014

Схема запчастей John Deere 92DLC - 48 - Exhaust Manifolds 0410 Exhaust Manifold 6466AT014 6466AT014
FIT
1:1
100%

Артикул

Название

Примечание

Количество

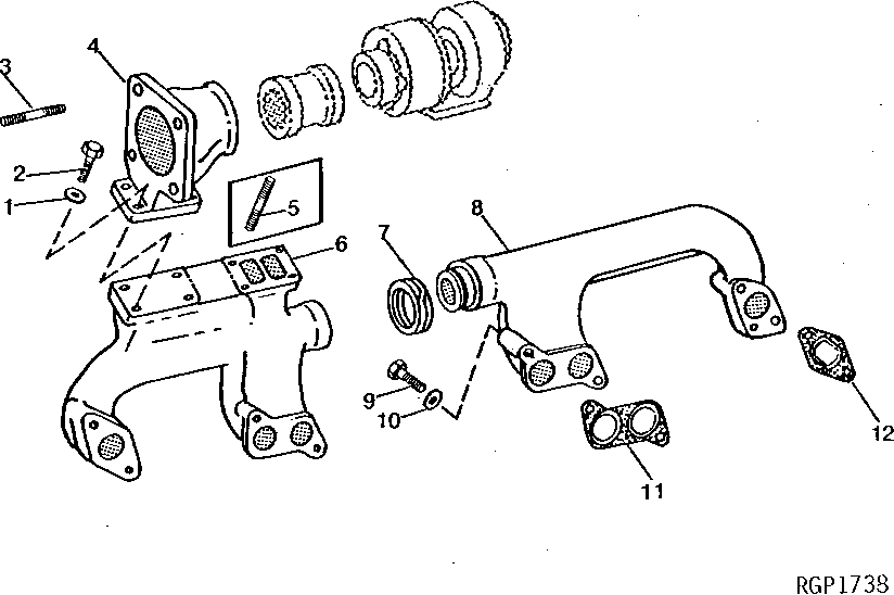
1

24M7096

Washer

10.500 X 18 X 1.600 mm

4шт.

2

R54500

Screw

4шт.

3

R70958

Stud

2шт.

4

R69938

Flange

1шт.

5

R55078

Stud

(SUB R54500 AND 24M7096, APPL)

4шт.

6

R69937

Exhaust Manifold

(SUB FOR AR91125)

1шт.

7

R122595

Ring

(SUB FOR R58109)

1шт.

8

R69936

Exhaust Manifold

1шт.

9

19H2128

Cap Screw

3/8" X 3"

8шт.

10

R63845

Washer

8шт.

11

RE62776

Gasket

(SUB FOR R44373, R83020 OR R521437)

2шт.

12

RE62777

Gasket

(SUB FOR R44374, R83021 OR R521438)

2шт.

Выбрано товаров: 12