Запчасти John Deere 92DLC 60 - Water Pump 0417 Water Pump 6466AT014 6466AT014

Схема запчастей John Deere 92DLC - 60 - Water Pump 0417 Water Pump 6466AT014 6466AT014
FIT
1:1
100%

Артикул

Название

Примечание

Количество

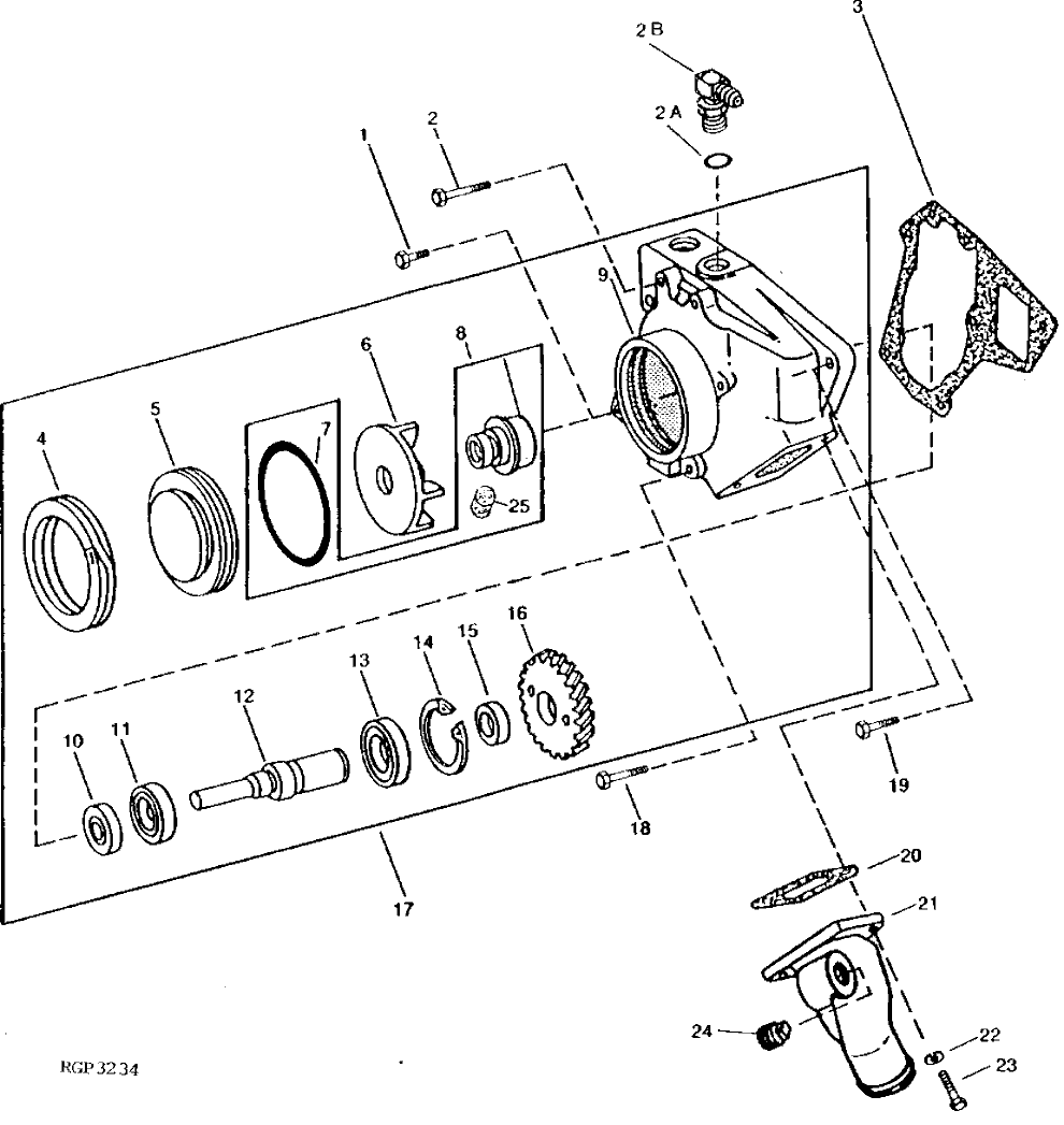
1

R39305

Cap Screw

2шт.

2

19H2104

Cap Screw

3/8" X 5"

3шт.

2A

R26906

O-Ring

1шт.

2B

AR26724

Elbow Fitting

1шт.

3

R520580

Gasket

(SUB FOR R71315)

1шт.

4

R78696

Snap Ring

1шт.

5

R71226

Cover

1шт.

6

R71225

Impeller

1шт.

7

R71596

O-Ring

1шт.

8

RE69844

Pump Repair Kit

(SUB FOR RE12940, RE24772 OR RE55992)

1шт.

9

R83561

Housing

1шт.

10

AR93518

Seal

(SUB RE39134)

1шт.

RE39134

Seal

1шт.

11

JD10363

Ball Bearing

(FRONT), (USE WITH R83561)

1шт.

12

Shaft

(SUB RE69847)

1шт.

13

JD10362

Ball Bearing

(REAR), (USE WITH R83561)

1шт.

14

R71228

Ring

1шт.

15

R70964

Washer

1шт.

16

R71037

Gear

1шт.

17

RE23291

Water Pump

NLA (MARKED R83561) (ORDER SE500912)

1шт.

RE55985

Water Pump

NLA (MARKED R83561) (ORDER SE500912)

1шт.

SE500912

Water Pump Reman

(REMAN FOR RE55985)

1шт.

18

19H2996

Cap Screw

5/16" X 5"

1шт.

19

19H2023

Cap Screw

3/8" X 3-1/4"

1шт.

20

R71361

Gasket

1шт.

21

R85128

Housing

1шт.

22

12M7056

Lock Washer

8 mm (SUB FOR 12M7065)

2шт.

23

19M7513

Cap Screw

M8 X 30

2шт.

24

R39503

Fitting

1шт.

25

R98527

Filter

(WEEP HOLE)

1шт.

Выбрано товаров: 30