Запчасти John Deere 92ELC 81 - Air Heater Kit (24V) 0505 Cold Weather Starting Aids

Схема запчастей John Deere 92ELC - 81 - Air Heater Kit (24V) 0505 Cold Weather Starting Aids
FIT
1:1
100%

Артикул

Название

Примечание

Количество

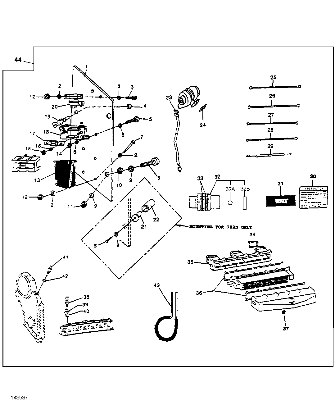
1

Plate

1шт.

2

24H1287

Washer

9/32" X 5/8" X 0.065"

12шт.

5

19H3370

Cap Screw

0.190" X 5/8"

2шт.

6

24H1283

Washer

7/32" X 1/2" X 0.049"

4шт.

7

19H2151

Cap Screw

1/4" X 3"

4шт.

8

19H1732

Cap Screw

3/8" X 1-1/4"

2шт.

9

24H1884

Washer

13/32" X 13/16" X 0.120" (4 ) USED 892E, (2) USED 792D)

4шт.

10

14H812

Nut

3/8" (892E ONLY)

2шт.

11

T11234

Lock Nut

2шт.

12

M40333

Lock Nut

6шт.

13

RE67622

Control

1шт.

14

U45916

Lock Nut

2шт.

15

14M7029

Nut

M8

2шт.

16

12M7056

Lock Washer

8 mm (SUB FOR 12M7065)

1шт.

17

AT203566

Fuse

125A

1шт.

18

AT206818

Fuse Holder

1шт.

19

RE38310

Sensor

(AMBIENT TEMP)

1шт.

20

AT145341

Relay

1шт.

21

T145755

Nut

(792D-LC ONLY)

1шт.

22

Bushing

(792D-LC ONLY)

1шт.

23

R105346

Gasket

1шт.

24

R89879

Gasket

1шт.

25

RE67625

Wiring Harness

Black (MANIFOLD GROUND CABLE)

1шт.

26

RE67623

Wiring Harness

Red (BATTERY DISCONNECT RELAY WIRE)

1шт.

27

RE67624

Wiring Harness

Red (HEATER RELAY WIRE)

1шт.

28

RE66685

Wiring Harness

Red (FUSE WIRE)

1шт.

29

RE67794

Wiring Harness

(RELAY JUMPER WIRE)

1шт.

30

R131562

Label

Windshield

1шт.

31

R132503

Label

(WAIT LAMP)

1шт.

32

RE67670

Wiring Harness

(WAIT LAMP)

1шт.

32A

R132487

Bulb

1шт.

32B

R132488

Lens

Amber

1шт.

33

R132749

Washer

2шт.

34

R130573

Gasket

3шт.

35

RE65907

Intake Manifold

(USE WHEN R107633, PREVIOUSLY INSTALLED)

1шт.

RE65910

Intake Manifold

(AT030 ENGINE) (892E-LC)

1шт.

36

R88993

Gasket

2шт.

37

15H569

Pipe Plug

1/8"

1шт.

38

RE38310

Sensor

Coolant

1шт.

39

R77673

O-Ring

1шт.

40

R90145

Adapter Fitting

1шт.

41

RE519144

Sensor

(SUB FOR RE71121 OR RE508195) (CONTAI NS 51M7044) Crankshaft Position Sensor

1шт.

42

51M7044

O-Ring

17.300 X 2.200 mm

1шт.

43

T76252

Clamp

2шт.

44

RE69434

Kit

(CONTAINS RE65907) (USE WHEN R 107633, PREVIOUSLY INSTALLED) ( NON EMISSION CERTIFIED ENGINES)

1шт.

RE71383

Kit

(CONTAINS RE65910) (EMISSION CERTIFIED ENGI NES) (USE WHEN R127427 PREVIOUSLY INSTALLED)

1шт.

RE67626

Wiring Harness

(A) (MANIFOLD HEATER)

1шт.

14M7272

Nut

(A) M6 (SUB FOR 14M7027)

2шт.

R44302

Tie Band

(A)

20шт.

Выбрано товаров: 49