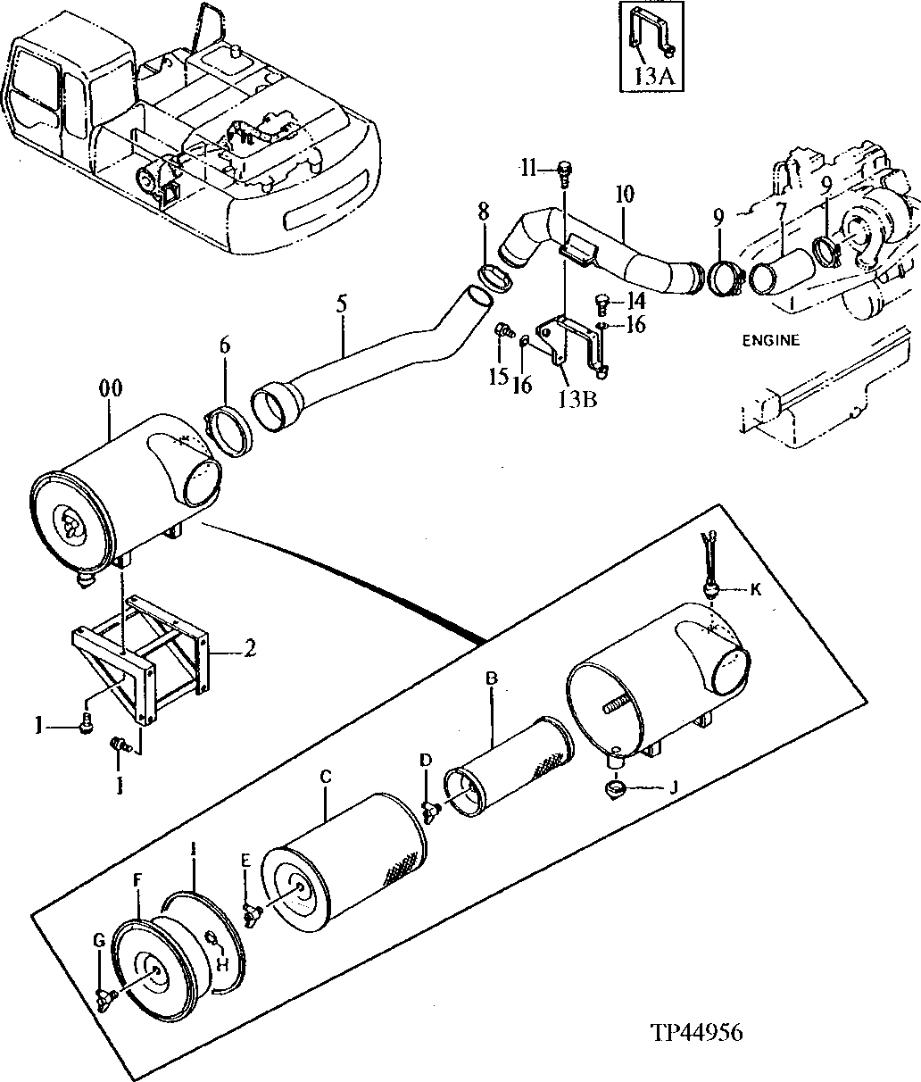
Запчасти John Deere 92ELC 90 - Air Cleaner 0520 Intake System

Схема запчастей John Deere 92ELC - 90 - Air Cleaner 0520 Intake System
FIT
1:1
100%

Артикул

Название

Примечание

Количество

0

4303177

Air Cleaner

(SUB FOR AT158707)

1шт.

0B

AT201036

Filter Element

1шт.

0C

AR95758

Filter Element

(SUB FOR AT201035)

1шт.

0D

AH20849

Wing Nut

1шт.

0E

AR73234

Wing Nut

11.125 mm (7/16")

1шт.

4257360

Nut

(SUB FOR AT200998)

1шт.

0F

4297292

Cover

(SUB FOR AT201034)

1шт.

0G

AR73234

Wing Nut

11.125 mm (7/16") (SUB FOR AR73234, THIS APPLICATION)

1шт.

0H

P46402

Snap Ring

1шт.

0I

4257362

Gasket

(SUB FOR AT200999)

1шт.

0J

4152863

Flow Control Hyd. Valve

(SUB FOR TH111700)

1шт.

0K

4321969

Indicator

(SUB FOR AT201069)

1шт.

1

19M7402

Cap Screw

M10 X 25

8шт.

12M7066

Lock Washer

10 mm

8шт.

24M7028

Washer

10.500 X 20 X 2 mm

8шт.

2

7026281

Bracket

(SUB FOR AT201109)

1шт.

5

2034150

Suction Hose

(SUB FOR AT158710)

1шт.

6

AT53438

Hose Clamp

1шт.

7

AT158711

Hose

1шт.

4379289

Hose

(SUB FOR AT178241)

1шт.

8

RE19429

Clamp

1шт.

9

AT56657

Hose Clamp

2шт.

10

8054784

Line

(SUB FOR AT158709)

1шт.

8067831

Line

(SUB FOR AT178242)

1шт.

11

19M7402

Cap Screw

M10 X 25

2шт.

12M7066

Lock Washer

10 mm

2шт.

24M7028

Washer

10.500 X 20 X 2 mm

2шт.

13A

Bracket

( AT201141 NLA) (SUB AT16 7069, ALONG WITH 19H1756)

1шт.

13B

AT307699

Bracket

(SUB FOR 8058179)

1шт.

14

19H2994

Cap Screw

5/8" X 1-1/2"

1шт.

19H3244

Cap Screw

5/8" X 2-1/4"

1шт.

15

19H1833

Cap Screw

5/8" X 1-1/4" (USE WITH AT201141 BRACKET ONLY)

1шт.

19H1756

Cap Screw

5/8" X 1-1/2" (USE WITH AT167069 BRACKET)

1шт.

16

12H294

Lock Washer

5/8"

2шт.

Выбрано товаров: 34