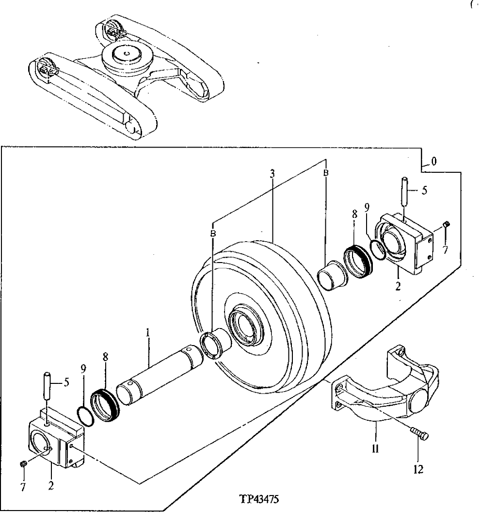
Запчасти John Deere 92ELC 1 - Front Idler 0130 Track Systems

Схема запчастей John Deere 92ELC - 1 - Front Idler 0130 Track Systems
FIT
1:1
100%

Артикул

Название

Примечание

Количество

0

Track Idler

AT317665, AT159063, A T178256 AND 9151028 NLA

2шт.

Track Idler

SUB AT317665SUB FOR AT178256 OR 9151028

2шт.

1

3037103

Axle

SUB FOR TH111169

1шт.

2

1022739

Bracket

USE W/ 9115209; SUB FO R TH111124 AND AT178673

2шт.

1020714

Bracket

USE W/ 9151029; SUB FOR AT178257

2шт.

3

Roller

9115209 NLA; SUB 9151029 AND (2) 1020714; SUB FOR AT159064

1шт.

9151029

Roller

SUB FOR AT179608

1шт.

3B

3056835

Bushing

USE W/ 9115209; SUB FOR AT159066

2шт.

3075766

Bushing

USE W/ 9151029; SUB FOR AT179610

2шт.

5

4138084

Pin

SUB FOR TH103124

2шт.

7

942011

Fitting Plug

SUB FOR 94-2011 AND TH100434

2шт.

8

TH111283

Seal Kit

2шт.

9

CH11573

Packing

2шт.

11

1010587

Yoke

SUB FOR TH111097

2шт.

12

19M7488

Cap Screw

M16 X 40

8шт.

Выбрано товаров: 15