Качественные детали и логистика
Оригинальные и аналоговые запчасти с доставкой по России, Казахстану и Беларуси
©2022 PartSell ООО "Система" ИНН 2463123282 ОГРН 1212400004838
Центральный офис: г. Красноярск, Академика Киренского, д.87, пом.4
Телефон: 8 (800) 777-65-74 Email: zakaz@partsell.ru
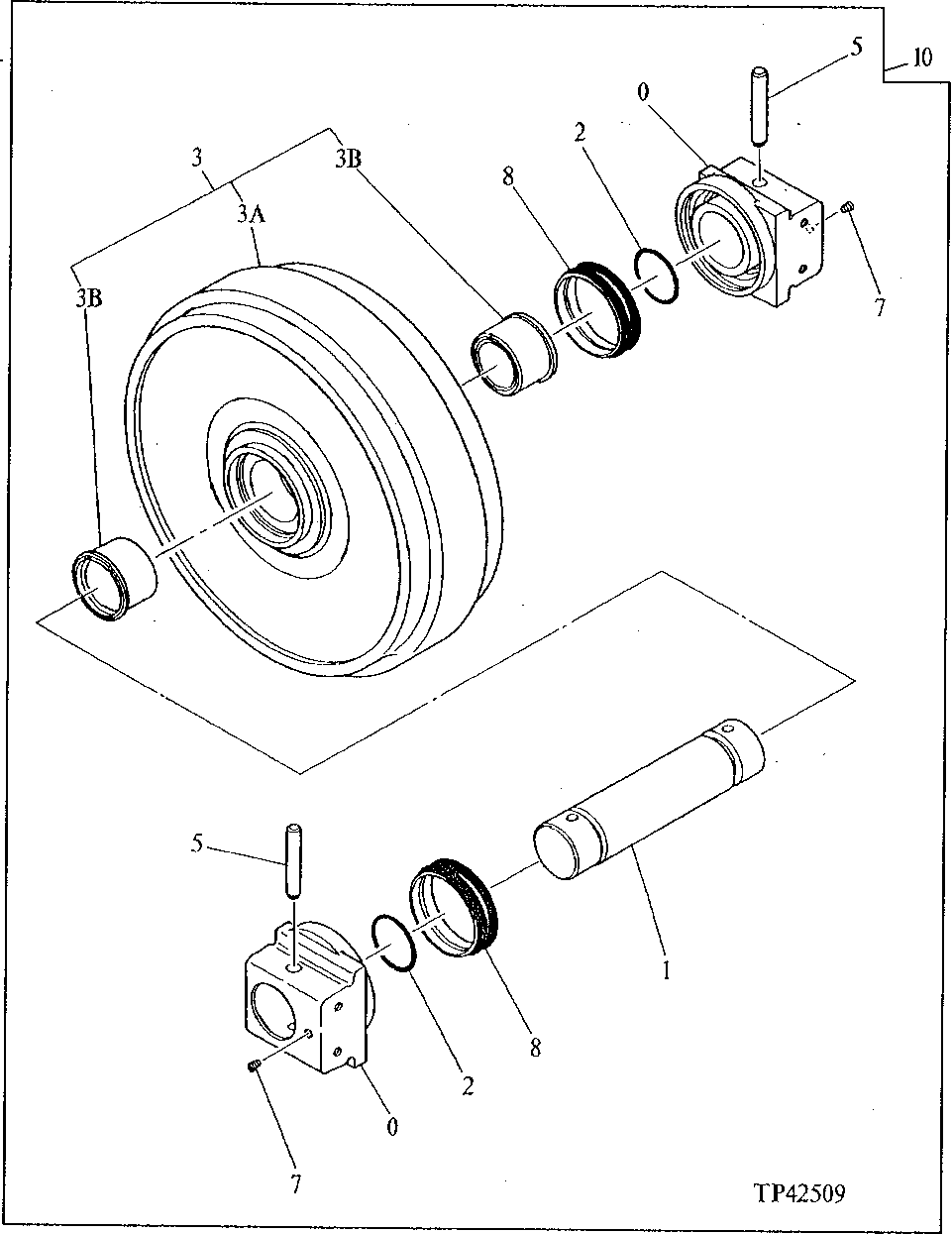
2 - Replacement Track Front Idler
№
Артикул
Название
Примечание
Количество
0
T213200
Bearing With Housing
2шт.
1
T213198
Shaft
1шт.
2
T213220
O-Ring
3
T213203
Roller
3A
Idler
(NLA)
3B
T213204
5
T213216
Pipe Plug
7
Fitting Plug
8
T213217
Seal
10
AT317665
Track Idler
(SUB FOR AT178256, 9151028 OR AT159063)
Выбрано товаров: 0