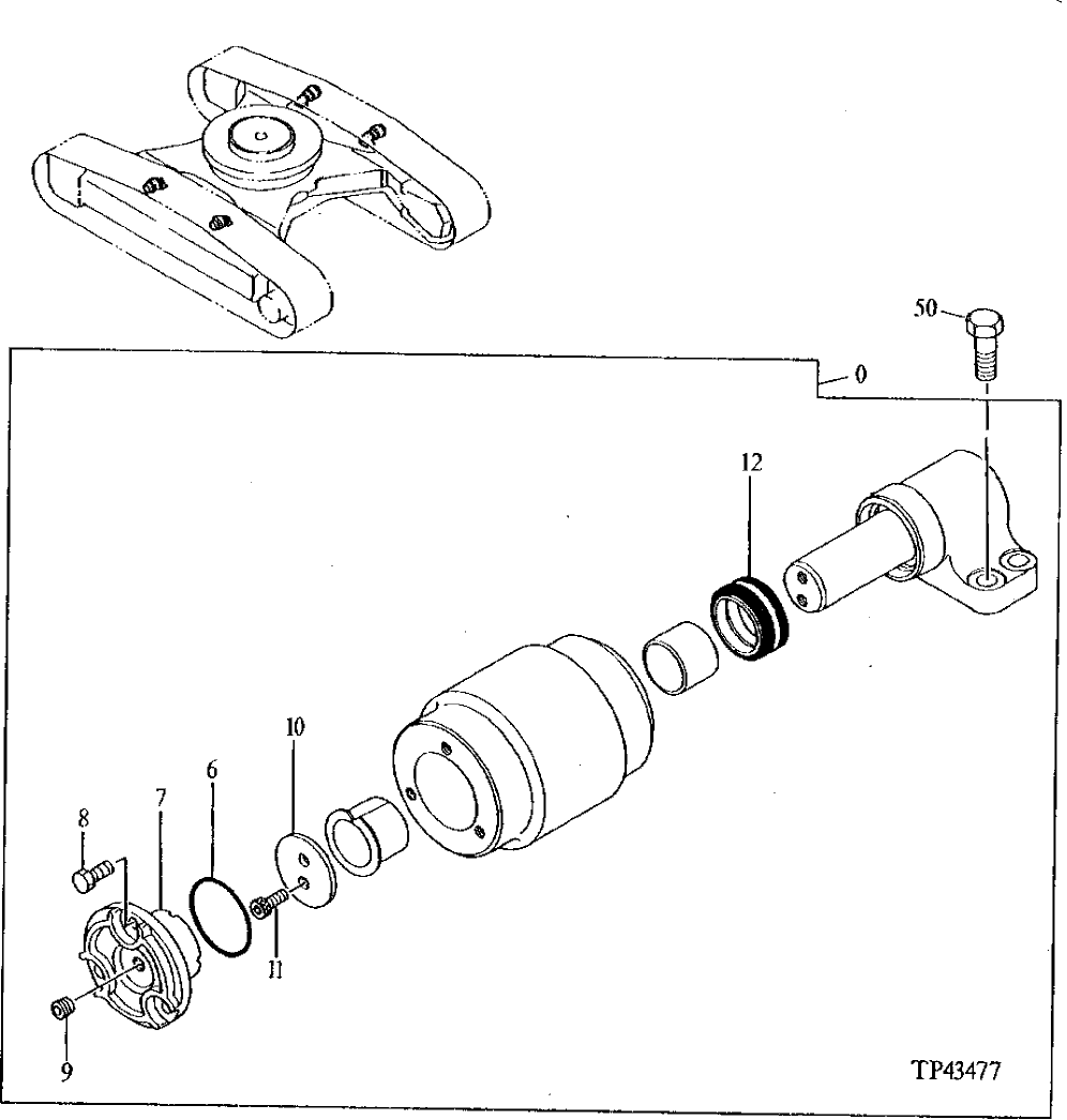
Запчасти John Deere 92ELC 4 - Upper Roller 0130 Track Systems

Схема запчастей John Deere 92ELC - 4 - Upper Roller 0130 Track Systems
FIT
1:1
100%

Артикул

Название

Примечание

Количество

0

AT314420

Carrier Roller

SUB FOR AT201162, 9191 054, 4S00520 OR 9257022

4шт.

6

CH17154

Packing

1шт.

7

3052354

Cover

SUB FOR AT154687

1шт.

8

19M7938

Cap Screw

M10 X 20

3шт.

9

942011

Fitting Plug

SUB FOR 94-2011 AND TH100434

1шт.

10

T210827

Thrust Washer

SUB FOR AT131375 OR 4282842

1шт.

11

M351018

Bolt

M10 X 18 SUB FOR AT131372

2шт.

12

4317584

Seal

SUB FOR TH111221, TH102345 OR AT213828

1шт.

50

19M7488

Cap Screw

M16 X 40

16шт.

Выбрано товаров: 9