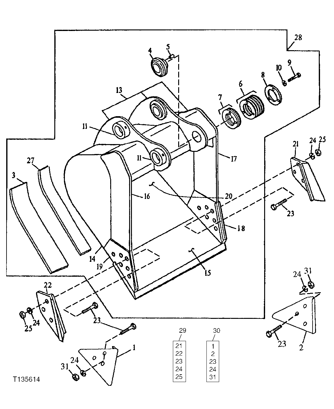
Запчасти John Deere 92ELC 205 - Heavy Duty Bucket (Also Order Bucket Tooth Assemblies) 3302 Bucket With Teeth

Схема запчастей John Deere 92ELC - 205 - Heavy Duty Bucket (Also Order Bucket Tooth Assemblies) 3302 Bucket With Teeth
FIT
1:1
100%

Артикул

Название

Примечание

Количество

1

Shroud

(B) (RH)

1шт.

2

Shroud

(B) (LH)

1шт.

3

304559

Bar

(F) (36 OR 54in.), Wear Outer

2шт.

304579

Bar

(F) 42 OR 48in., Wear Outer

2шт.

4

4143522

Bushing

(SUB FOR TH103234)

1шт.

5

4179110

Pin

(SUB FOR TH103520)

1шт.

6

4143524

Washer

1mm, (SUB FOR TH103235)

6шт.

7

4143525

Shim

5mm, (SUB FOR TH103236)

2шт.

8

TH103237

Plate

1шт.

9

19H2706

Cap Screw

5/8" X 2"

3шт.

10

12H294

Lock Washer

5/8"

3шт.

11

Plate

( TH103198 NLA)

2шт.

13

C606071

Pivot

(F) Bucket Ear Blank Assembly

1шт.

14

306995

Plate

(F) 36 and 54in., (RH / LH)

2шт.

304578

Plate

(F) 42 and 48in., (RH / LH)

2шт.

15

AT131097

Dura-Max Cutting Edge

(CTL)

1шт.

16

300283

Vertical Cutter

(F) 36 or 54in., (UPPER RH)

1шт.

301025

Vertical Cutter

(F) 42 or 48in., (UPPER RH)

1шт.

17

300284

Vertical Cutter

(F) 36 or 54in., (UPPER LH)

1шт.

301026

Vertical Cutter

(F) 42 or 48in., (UPPER LH)

1шт.

18

304568

Vertical Cutter

(F) 36 or 54in., (LH)

1шт.

304577

Vertical Cutter

(F) 42 or 48in., (LH)

1шт.

19

304567

Vertical Cutter

(F) 36 or 54in., (RH)

1шт.

304576

Vertical Cutter

(F) 42 or 48in., (RH)

1шт.

20

600167

Moldboard

(F) 36in

1шт.

600542

Moldboard

(F) 42in

1шт.

600543

Moldboard

(F) 48in

1шт.

600971

Moldboard

(F) 54in

1шт.

21

Cutting Edge

(A) (LH)

1шт.

22

Cutting Edge

(A) (RH)

1шт.

23

09H1771

Bolt

(A) (B) 7/8" X 3"

6шт.

24

12H245

Lock Washer

(A) (B) 7/8"

6шт.

25

14H1077

Nut

(A) 7/8"

6шт.

27

300291

Bar

(F) 36 or 54in., Wear Inner

2шт.

301024

Bar

(F) 42 or 48in., Wear Inner

2шт.

28

Excavator Bucket

(P) 36in.- 1.48y³, (SUB AT332727) ( AT163663, AT131055 OR AT131175 NLA)

1шт.

Excavator Bucket

(P) 42in.- 1.75y³, (SUB AT332728) ( AT167296, AT131057 OR AT131177 NLA)

1шт.

Excavator Bucket

(P) 48in.- 2.03y³, (SUB AT332729) ( AT167297, AT131058 OR AT131178 NLA)

1шт.

Excavator Bucket

(P) 54in. - 2.30y³, (SUB AT332729) ( AT163666, AT131056 OR AT131176 NLA)

1шт.

29

Kit

(INCLUDES PARTS MARKED (A)) (SIDECUTTER) ( AT131085 NLA)

1шт.

30

Kit

(INCLUDES PARTS MARKED (B)) E dge Protector ( AT167876 NLA)

1шт.

31

14H1044

Nut

(B) 7/8"

6шт.

Выбрано товаров: 0