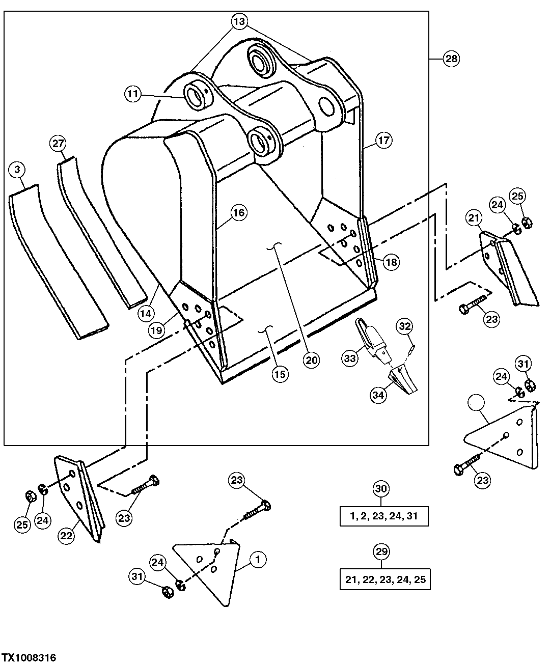
Запчасти John Deere 92ELC 206 - Heavy Duty Bucket 3302 Bucket With Teeth

Схема запчастей John Deere 92ELC - 206 - Heavy Duty Bucket 3302 Bucket With Teeth
FIT
1:1
100%

Артикул

Название

Примечание

Количество

1

Shroud

(B) (RH)

1шт.

2

Shroud

(B) (LH)

1шт.

3

304559

Bar

(F) 36 or 54in., Wear Outer

2шт.

304579

Bar

(F) 42 or 48in., Wear Outer

2шт.

11

Plate

( TH103198 NLA)

2шт.

13

C606071

Pivot

(F) Bucket Ear Blank Assembly

1шт.

14

306995

Plate

(F) 36 and 54in., (RH / LH)

2шт.

304578

Plate

(F) (42 and 48in., (RH / LH)

2шт.

15

AT131097

Dura-Max Cutting Edge

(CTL)

1шт.

16

300283

Vertical Cutter

(F) 36 and 54in., (UPPER RH)

1шт.

301025

Vertical Cutter

(F) 42 or 48in., (UPPER RH)

1шт.

17

300284

Vertical Cutter

(F) 36 or 54in., (UPPER LH)

1шт.

301026

Vertical Cutter

(F) 42 or 48in., (UPPER LH)

1шт.

18

304568

Vertical Cutter

(F) 36 or 54in., (LH)

1шт.

304577

Vertical Cutter

(F) 42 or 48in., (LH)

1шт.

19

304567

Vertical Cutter

(F) 36 or 54in., (RH)

1шт.

304576

Vertical Cutter

(F) 42 or 48in., (RH)

1шт.

20

600167

Moldboard

(F) 36in

1шт.

600542

Moldboard

(F) 42in

1шт.

600543

Moldboard

(F) 48in

1шт.

600971

Moldboard

(F) 54in

1шт.

21

Cutting Edge

(A) (LH)

1шт.

22

Cutting Edge

(A) (RH)

1шт.

23

09H1771

Bolt

(A) (B) 7/8" X 3"

6шт.

24

12H245

Lock Washer

(A) (B) 7/8"

6шт.

25

14H1077

Nut

(A) 7/8"

6шт.

27

300291

Bar

(F) 36 or 54in., Wear Inner

2шт.

301024

Bar

(F) 42 or 48in., Wear Inner

2шт.

28

Excavator Bucket

36in.- 1.48y³, (SUB FOR AT163663 ) (SUB AT339217) ( AT332727 NLA)

1шт.

Excavator Bucket

42in.- 1.75y³, (SUB FOR AT167296 ) (SUB AT339219) ( AT332728 NLA)

1шт.

Excavator Bucket

48in.- 2.03y³, (SUB FOR AT167297 ) (SUB AT339221) ( AT332729 NLA)

1шт.

Excavator Bucket

54in. - 2.30y³, (SUB FOR AT16366 6) (SUB AT339223) ( AT332730 NLA)

1шт.

29

Kit

(INCLUDES PARTS MARKED (A)) (SIDECUTTER) ( AT131085 NLA)

1шт.

30

Kit

(INCLUDES PARTS MARKED (B)) E dge Protector ( AT167876 NLA)

1шт.

31

14H1044

Nut

(B) 7/8"

6шт.

32

TP400HD

Pin

ARшт.

33

T802X400

Bucket Tooth Adapter

ARшт.

34

TF400

Tooth

ARшт.

Выбрано товаров: 38