Запчасти John Deere 92ELC 208 - General Purpose High Capacity Bucket (30, 36, 42 in.) (Also Order Bucket Tooth Assemblies) 3302 Bucket With Teeth

Схема запчастей John Deere 92ELC - 208 - General Purpose High Capacity Bucket (30, 36, 42 in.) (Also Order Bucket Tooth Assemblies) 3302 Bucket With Teeth
FIT
1:1
100%

Артикул

Название

Примечание

Количество

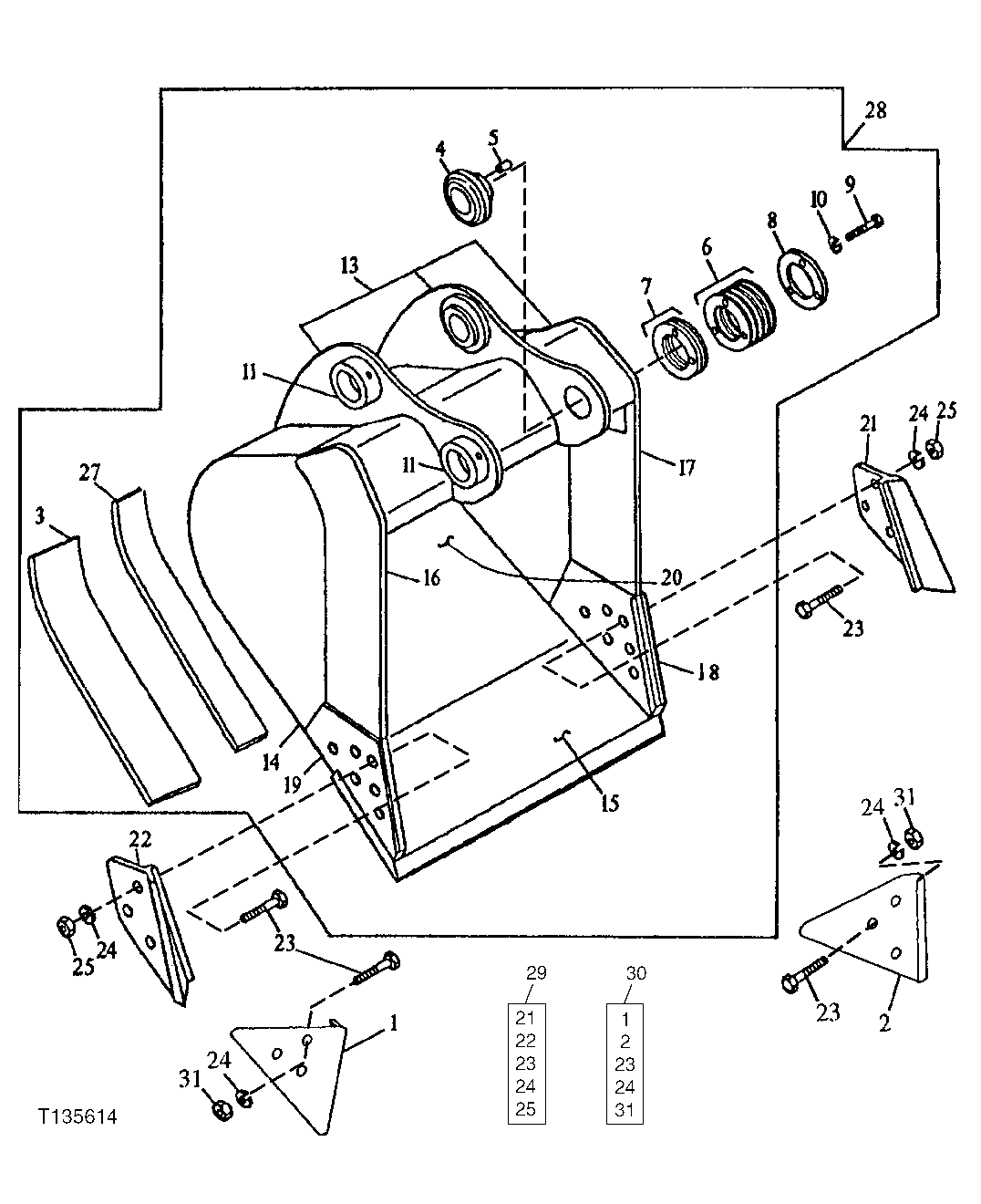
1

Shroud

(B) (RH)

1шт.

2

Shroud

(B) (RH)

1шт.

3

307451

Bar

(F) Outer Wear

2шт.

4

4143522

Bushing

(SUB FOR TH103234)

1шт.

5

4179110

Pin

(SUB FOR TH103520)

ARшт.

6

4143524

Washer

1mm, (SUB FOR TH103235)

6шт.

7

4143525

Shim

5mm, (SUB FOR TH103236)

2шт.

8

TH103237

Plate

1шт.

9

19H2706

Cap Screw

5/8" X 2"

3шт.

10

12H294

Lock Washer

5/8"

3шт.

11

TH103198

Bushing

101.600 X 127 X 49.276 mm (4" X 5" X 1.940") ( TH103198 NLA)

2шт.

13

C606071

Pivot

(F) Bucket Ear Blank Assembly

1шт.

14

304578

Plate

(F) (RH / LH)

2шт.

15

AT131097

Dura-Max Cutting Edge

(CTL)

1шт.

16

300642

Vertical Cutter

(F) (UPPER RH)

1шт.

17

300643

Vertical Cutter

(F) (UPPER LH)

1шт.

18

304568

Vertical Cutter

(F) (LH)

1шт.

19

304567

Vertical Cutter

(F) (RH)

1шт.

20

600361

Moldboard

(F) 30in

1шт.

600362

Moldboard

(F) 36in

1шт.

600363

Moldboard

(F) 42in

1шт.

21

Cutting Edge

(A) (LH)

1шт.

22

Cutting Edge

(A) (RH)

1шт.

23

09H1771

Bolt

(A) (B) 7/8" X 3"

6шт.

24

12H245

Lock Washer

(A) (B) 7/8"

6шт.

25

14H1077

Nut

(A) 7/8"

6шт.

27

300645

Bar

(F) Inner Wear

2шт.

28

Excavator Bucket

(P) 30in. - 1.26y³, (SUB FOR AT1 31052 OR AT131172) ( AT163656 NLA)

1шт.

Excavator Bucket

(P) 36in. - 1.56y³, (SUB FOR AT1 31053 OR AT131173) ( AT163657 NLA)

1шт.

Excavator Bucket

(P) 42in.- 1.85y³, (SUB FOR AT13 1054 OR AT131174) ( AT163658 NLA)

1шт.

29

Kit

(INCLUDES PARTS MARKED (A)) S ide Cutter Kit ( AT131085 NLA)

1шт.

30

Kit

(INCLUDES PARTS MARKED (B)) Edg e Protector Kit ( AT167876 NLA)

1шт.

31

14H1044

Nut

(B) 7/8"

6шт.

Выбрано товаров: 33