Запчасти John Deere 92ELC 212 - BUCKET 3302 Bucket With Teeth

Схема запчастей John Deere 92ELC - 212 - BUCKET 3302 Bucket With Teeth
FIT
1:1
100%

Артикул

Название

Примечание

Количество

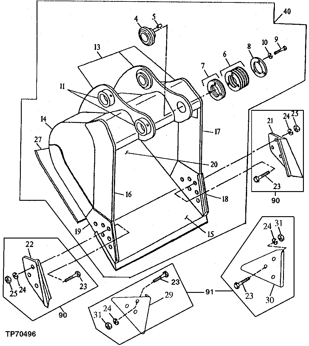
4

4143522

Bushing

(SUB FOR TH103234)

1шт.

5

4179110

Pin

(SUB FOR TH103520)

1шт.

6

4143524

Washer

1mm, (SUB FOR TH103235)

6шт.

7

4143525

Shim

5mm, (SUB FOR TH103236)

2шт.

8

TH103237

Plate

1шт.

9

19H2706

Cap Screw

5/8" X 2"

3шт.

10

12H294

Lock Washer

5/8"

3шт.

11

Plate

( TH103198 NLA)

2шт.

13

C606071

Pivot

(F) Bucket Ear Blank Assembly

1шт.

14

305189

Plate

(F) (RH / LH)

2шт.

15

Cutting Edge

(F) 42in., (CTL) ( AT131094 NLA)

1шт.

Cutting Edge

(F) 48in., (CTL) ( AT131095 NLA)

1шт.

16

300283

Vertical Cutter

(F) (UPPER RH)

1шт.

17

300284

Vertical Cutter

(F) (UPPER LH)

1шт.

18

305187

Vertical Cutter

(F) (LH)

1шт.

19

305186

Vertical Cutter

(F) (RH)

1шт.

20

600209

Moldboard

(F) 42in

1шт.

600210

Moldboard

(F) 48in

1шт.

21

Cutting Edge

(K) (SUB AT131085)

1шт.

22

Cutting Edge

(K) (SUB AT131085)

1шт.

23

09H1771

Bolt

(K) 7/8" X 3" (K2)

6шт.

24

12H245

Lock Washer

(K) 7/8" (K2)

6шт.

25

14H1077

Nut

(K) 7/8"

6шт.

27

605164

Bar

(F) 42in., Wear

1шт.

605165

Bar

(F) 48in., Wear

1шт.

29

Shroud

(SUB AT167876) (K2) Wear

1шт.

30

Shroud

(SUB AT167876) (K2) Wear

1шт.

31

14H1044

Nut

7/8" (K2)

6шт.

40

Excavator Bucket

(P) 42in. - 1.75y³, ( A T163667 OR AT131059 NLA)

1шт.

Excavator Bucket

(P) 48in.- 2.03y³, ( A T163668 OR AT131060 NLA)

1шт.

90

Kit

(INCLUDES ALL (K) PARTS) Sid e Cutter Kit ( AT131085 NLA)

1шт.

91

Kit

(INCLUDES ALL (K2) PARTS) Edge Protector Kit ( AT167876 NLA)

1шт.

Выбрано товаров: 32