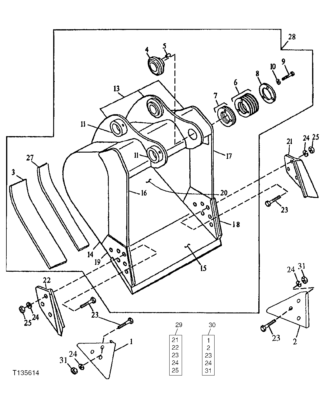
Запчасти John Deere 92ELC 214 - General Purpose High Capacity Bucket (48, 54, 60 in.) (Also Order Bucket Tooth Assemblies) 3302 Bucket With Teeth

Схема запчастей John Deere 92ELC - 214 - General Purpose High Capacity Bucket (48, 54, 60 in.) (Also Order Bucket Tooth Assemblies) 3302 Bucket With Teeth
FIT
1:1
100%

Артикул

Название

Примечание

Количество

1

Shroud

(B) (RH)

1шт.

2

Shroud

(B) (LH)

1шт.

3

307048

Bar

(F) Wear Outer

2шт.

4

4143522

Bushing

(SUB FOR TH103234)

1шт.

5

4179110

Pin

(SUB FOR TH103520)

1шт.

6

4143524

Washer

1mm, (SUB FOR TH103235)

6шт.

7

4143525

Shim

5mm, (SUB FOR TH103236)

2шт.

8

TH103237

Plate

1шт.

9

19H2706

Cap Screw

5/8" X 2"

3шт.

10

12H294

Lock Washer

5/8"

3шт.

11

Plate

( TH103198 NLA)

2шт.

13

C606071

Pivot

(C) Bucket Ear Blank Assembly

1шт.

14

307047

Plate

(C) (RH / LH)

2шт.

15

AT131090

Dura-Max Cutting Edge

(CTL)

1шт.

16

300483

Vertical Cutter

(F) (UPPER RH)

1шт.

17

300484

Vertical Cutter

(F) (UPPER LH)

1шт.

18

300482

Vertical Cutter

(F) (LH)

1шт.

19

300481

Vertical Cutter

(F) (RH)

1шт.

304567

Vertical Cutter

(F) (RH)

1шт.

20

600292

Moldboard

(F) 48in

1шт.

600915

Moldboard

(F) 54in

1шт.

T00916

Moldboard

(F) 60in

1шт.

21

Cutting Edge

(A) (LH)

1шт.

22

Cutting Edge

(A) (RH)

1шт.

23

09H1771

Bolt

(A) (B) 7/8" X 3"

6шт.

24

12H245

Lock Washer

(A) (B) 7/8"

6шт.

25

14H1077

Nut

(A) 7/8"

6шт.

27

300479

Bar

(F) Wear Inner

2шт.

28

Excavator Bucket

(P) 48in.- 2.15y³, (WHOLE GOODS) (SUB F OR AT131049 OR AT131169 ( AT167293 NLA))

1шт.

Excavator Bucket

(P) 54in.- 2.45y³, (WHOLE GOODS) (SUB F OR AT131050 OR AT131170 ( AT167294 NLA))

1шт.

Excavator Bucket

(P) 60in.- 2.74 y³, (WHOLE GOODS)(SUB F OR AT131051 OR AT131171 ( AT167295 NLA))

1шт.

29

Kit

(INCLUDES ALL PARTS MARKED (A)) Side Cutter Kit ( AT131085 NLA)

1шт.

30

Kit

(INCLUDES ALL PARTS MARKED (B)) E dge Protector Kit ( AT167876 NLA)

1шт.

31

14H1044

Nut

(B) 7/8"

6шт.

Выбрано товаров: 34