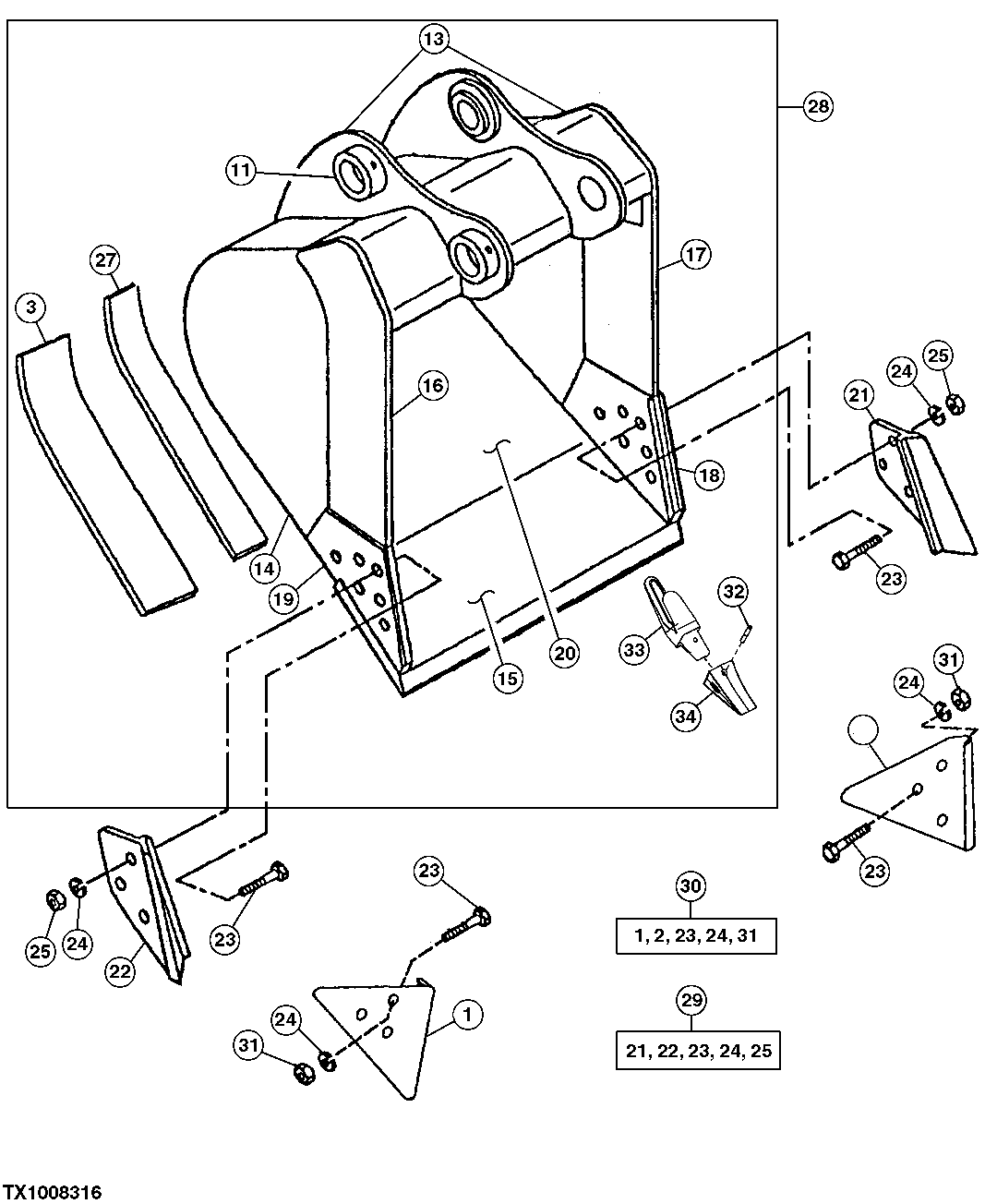
Запчасти John Deere 92ELC 215 - General Purpose High Capacity Bucket (48, 54, 60 in.) 3302 Bucket With Teeth

Схема запчастей John Deere 92ELC - 215 - General Purpose High Capacity Bucket (48, 54, 60 in.) 3302 Bucket With Teeth
FIT
1:1
100%

Артикул

Название

Примечание

Количество

1

Shroud

(B) (RH)

1шт.

2

Shroud

(B) (LH)

1шт.

3

307048

Bar

(F) Wear Outer

2шт.

11

Plate

( TH103198 NLA)

2шт.

13

C606071

Pivot

(F) Bucket Ear Blank Assembly

1шт.

14

307047

Plate

(F) (RH / LH)

2шт.

15

AT131090

Dura-Max Cutting Edge

(CTL)

1шт.

16

300483

Vertical Cutter

(F) (UPPER RH)

1шт.

17

300484

Vertical Cutter

(F) (UPPER LH)

1шт.

18

300482

Vertical Cutter

(F) (LH)

1шт.

19

300481

Vertical Cutter

(F) (RH)

1шт.

304567

Vertical Cutter

(F) (RH)

1шт.

20

600292

Moldboard

(F) 48in

1шт.

600915

Moldboard

(F) 54in

1шт.

T00916

Moldboard

(F) 60in

1шт.

21

Cutting Edge

(A) (LH)

1шт.

22

Cutting Edge

(A) (RH)

1шт.

23

09H1771

Bolt

(A) (B) 7/8" X 3"

6шт.

24

12H245

Lock Washer

(A) (B) 7/8"

6шт.

25

14H1077

Nut

(A) 7/8"

6шт.

27

300479

Bar

(F) Wear Inner

2шт.

28

Excavator Bucket

48in.- 2.15y³, ( AT332724 NLA) (SUB FOR AT13 1049 OR AT131169) ( AT339211 ( AT167293 NLA))

1шт.

Excavator Bucket

54in.- 2.45y³, ( AT332725 NLA) (SUB FOR AT131050 OR AT131170) ( AT339213 NLA ) ( AT167294 NLA))

1шт.

Excavator Bucket

60in.- 2.74y³, ( AT332726 NLA) (SUB FOR AT131051 OR AT131171 ) (SUB AT339215 ( AT167295 NLA) )

1шт.

29

Kit

(INCLUDES ALL PARTS MARKED (A)) Side Cutter Kit ( AT131085 NLA)

1шт.

30

Kit

(INCLUDES ALL PARTS MARKED (B)) E dge Protector Kit ( AT167876 NLA)

1шт.

31

14H1044

Nut

(B) 7/8"

6шт.

32

TP400HD

Pin

ARшт.

33

T802X400

Bucket Tooth Adapter

ARшт.

34

TF400

Tooth

ARшт.

Выбрано товаров: 30