Запчасти John Deere 92ELC 218 - Heavy Duty High Capacity Bucket 3302 Bucket With Teeth

Схема запчастей John Deere 92ELC - 218 - Heavy Duty High Capacity Bucket 3302 Bucket With Teeth
FIT
1:1
100%

Артикул

Название

Примечание

Количество

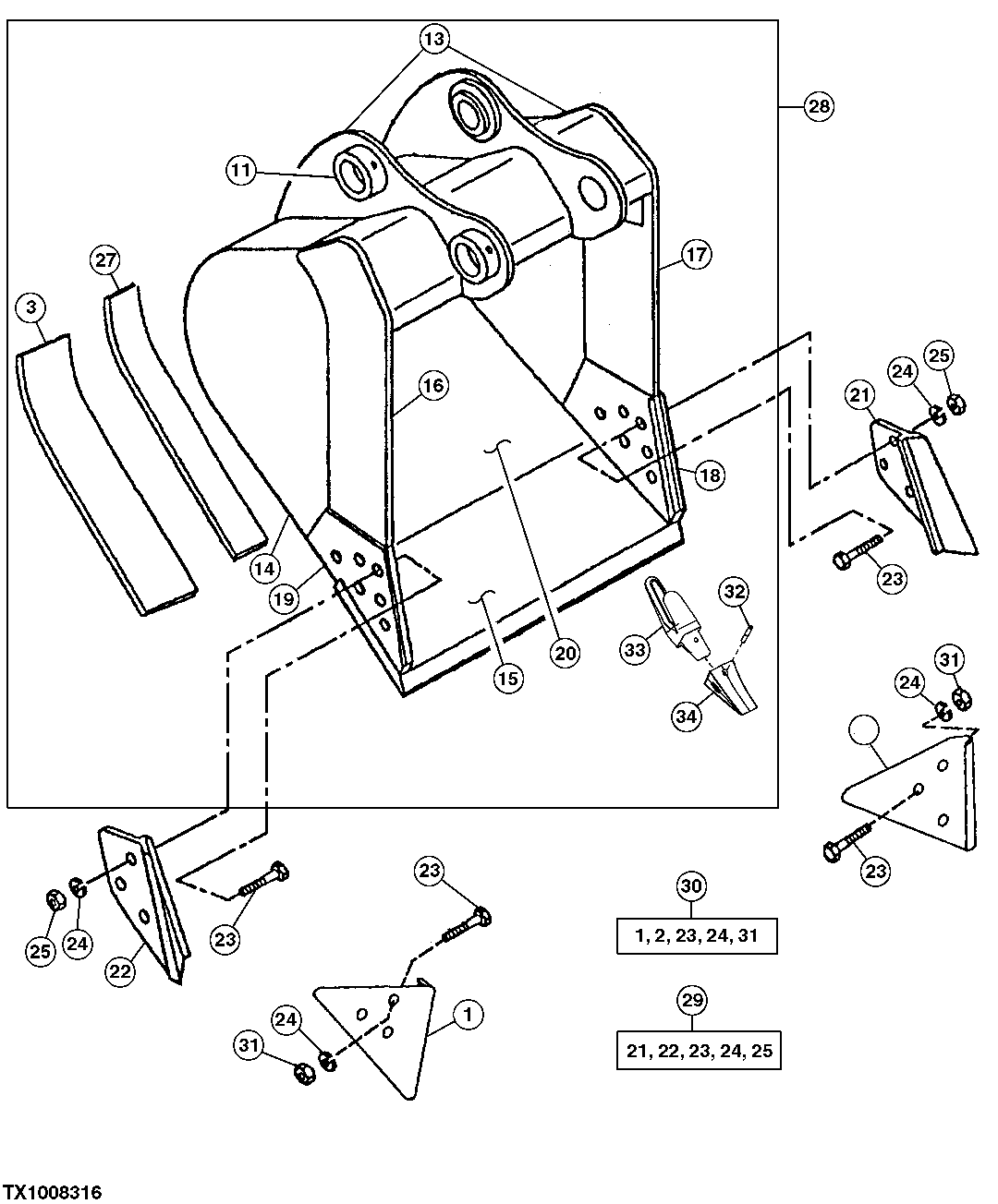
1

Shroud

(B) (RH)

1шт.

2

Shroud

(B) (LH)

1шт.

3

304559

Bar

(F) 36 or 54in., Outer Wear

2шт.

304579

Bar

(F) Outer Wear 42 in. Or 48 in. Bucket

2шт.

11

Plate

( TH103198 NLA)

2шт.

13

C606071

Pivot

(F) Bucket Ear Blank Assembly

1шт.

14

306995

Plate

(F) 36 and 54in., (RH / LH)

2шт.

304578

Plate

(F) 42 and 48in., (RH / LH)

2шт.

15

AT131097

Dura-Max Cutting Edge

(CTL)

1шт.

16

300283

Vertical Cutter

(F) 36 or 54in., (UPPER RH)

1шт.

301025

Vertical Cutter

(F) 42 or 48in., (UPPER RH)

1шт.

17

300284

Vertical Cutter

(F) 36 or 54in., (UPPER LH)

1шт.

301026

Vertical Cutter

(F) 42 or 48in., (UPPER LH)

1шт.

18

304568

Vertical Cutter

(F) 36 or 54in., (LH)

1шт.

304577

Vertical Cutter

(F) 42 or 48in., (LH)

1шт.

19

304567

Vertical Cutter

(F) 36 or 54in., (RH)

1шт.

304576

Vertical Cutter

(F) 42 or 48in., (RH)

1шт.

20

600167

Moldboard

(F) 36in

1шт.

600542

Moldboard

(F) 42in

1шт.

600543

Moldboard

(F) 48in

1шт.

600971

Moldboard

(F) 54in

1шт.

21

Cutting Edge

(A) (LH)

1шт.

22

Cutting Edge

(A) (RH)

1шт.

23

09H1771

Bolt

(A) (B) 7/8" X 3"

6шт.

24

12H245

Lock Washer

(A) (B) 7/8"

6шт.

25

14H1077

Nut

(A) 7/8"

6шт.

27

300291

Bar

(F) 36 or 54in., Inner Wear

2шт.

301024

Bar

(F) 42 or 48in., Inner Wear

2шт.

28

Excavator Bucket

30in. 1.26y³, (SUB FOR AT163662)( AT 332731 NLA) (30 INCH - 1.26 CUBIC YAR D) (REQUIRES 4 TEETH) Requires 4 Teet h

1шт.

Excavator Bucket

36in. 1.56y³, (SUB FOR AT167298 ) (SUB AT3 39225)( AT332732 NLA) (36 INCH - 1.56 CUBIC YARD) (REQUIRES 4 TEETH) Requires 4 Teeth

1шт.

Excavator Bucket

42in. 1.85y³, (SUB FOR AT163664 ) (SUB AT3 39227)( AT332733 NLA) (42 INCH - 1.85 CUBIC YARD) (REQUIRES 5 TEETH) Requires 5 Teeth

1шт.

Excavator Bucket

48in. 2.15y³, (SUB FOR AT163665 ) (SUB AT3 39230)( AT332734 NLA) (48 INCH - 2.15 CUBIC YARD) (REQUIRES 6 TEETH) Requires 6 Teeth

1шт.

Excavator Bucket

54in. 2.45y³, (SUB FOR AT167299 ) (SUB AT3 39232)( AT332735 NLA) (54 INCH - 2.45 CUBIC YARD) (REQUIRES 6 TEETH) Requires 6 Teeth

1шт.

29

Kit

(INCLUDES PARTS MARKED (A)) ( AT131085 NLA) Side Cutter Kit

1шт.

30

Kit

(INCLUDES PARTS MARKED (B)) ( A T167876 NLA) Edge Protector Kit

1шт.

31

14H1044

Nut

(B) 7/8"

6шт.

32

TP400HD

Pin

ARшт.

33

T802X400

Bucket Tooth Adapter

ARшт.

34

TF400

Tooth

ARшт.

Выбрано товаров: 39